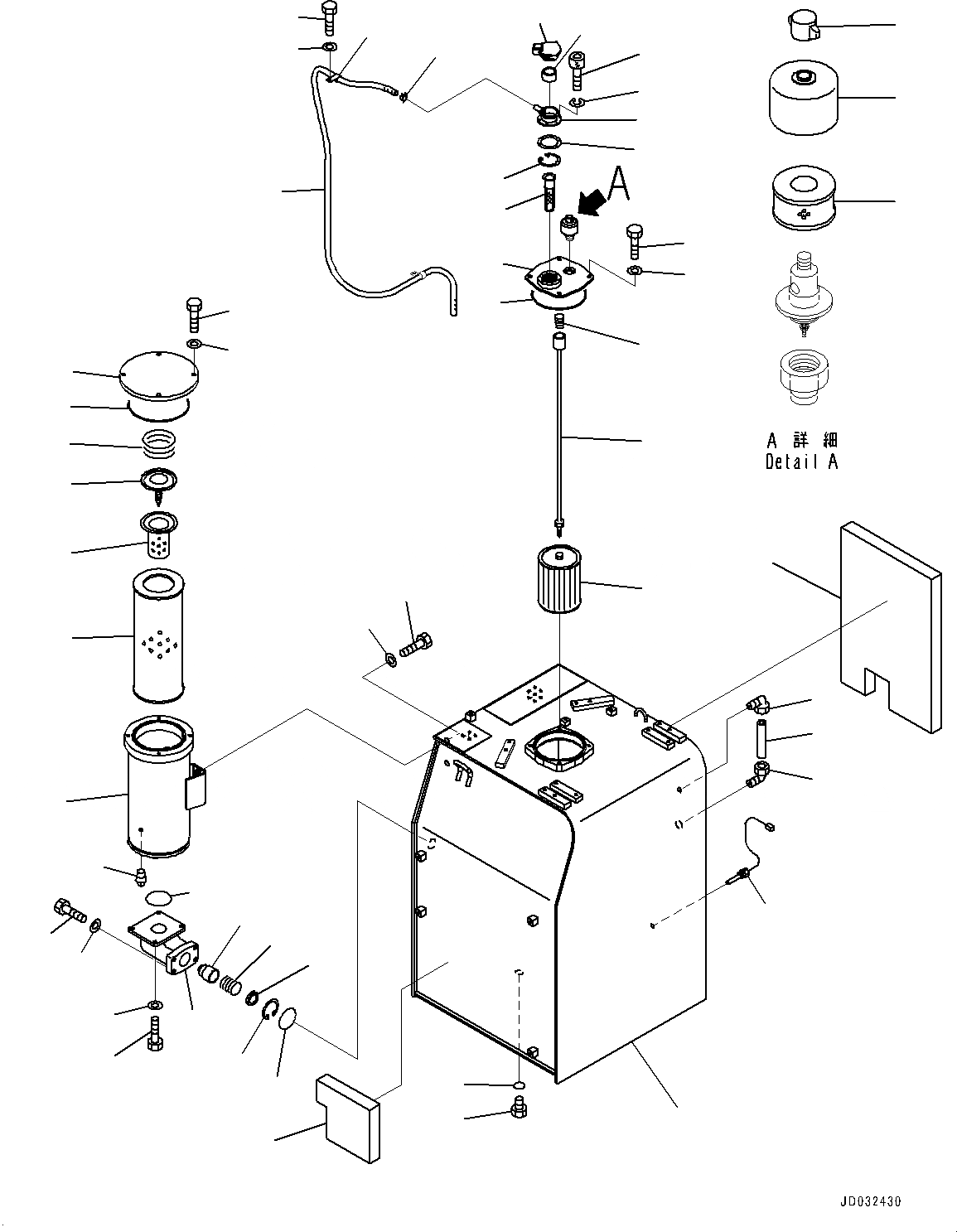
Запчасти Komatsu PC600-8R1 ГИДР. БАК., БАК (№7-) ГИДР. БАК.

Схема запчастей Komatsu PC600-8R1 - ГИДР. БАК., БАК (№7-) ГИДР. БАК.
30
28
29
26
27
49
45
9
31
19
32
40
39
38
34
33
35
36
51
50
54
53
48
47
46
42
43
44
41
2
3
2
17
1
18
22
23
25
24
20
10
11
8
15
16
52
37
4
5
21
6
7
13
14
12
FIT
1:1
100%

Артикул

Название

Примечание

Количество

1

21M-60-31120

Tank

2

203-60-31100

Elbow Assembly

3

203-60-31160

Tube

4

07040-12412

Plug

5

07002-12434

O-ring

6

21M-60-21291

Sheet

7

21M-60-21280

Sheet

8

21M-60-21120

Cover

9

07000-15180

O-ring

10

01010-81225

Bolt

11

01643-31232

Washer

11

198-60-55510

Breather

12

421-60-35170

Element

13

421-60-35180

Cover

14

421-60-35190

Nut

14

21M-60-21190

Strainer Assembly

15

21M-60-11150

Rod Assembly

16

12R-60-11230

Spring

17

21M-60-21140

Strainer

18

17A-60-11310

Cap Assembly

19

20Y-60-21470

Element

20

208-60-71181

Filler Neck

21

20Y-60-21340

Gasket

22

01252-A0516

Bolt, Hexagon Socket Head

23

01601-20513

Washer

24

07056-10045

Strainer

25

04065-04718

Ring, Snap

26

21M-60-31130

Hose

27

07285-00200

Clip, Hose

28

04434-52312

Clip

29

01010-81225

Bolt

30

01643-31232

Washer

31

7861-93-3320

Sensor, Oil Temperature

32

21M-60-11240

Case

33

21M-60-21220

Cover

34

07000-15180

O-ring

35

01010-81235

Bolt

36

01643-31232

Washer

37

07069-34057

Spring

38

20Y-60-31131

Valve Assembly

39

20Y-60-31140

Strainer

40

209-60-77532

Element

41

21N-60-31240

Poppet

42

706-76-71190

Spring

43

04065-05020

Ring, Snap

44

21M-60-21160

Spacer

45

07042-30211

Plug, Taper

46

21M-60-21130

Bracket

47

01010-81025

Bolt

48

01643-31032

Washer

49

07000-12095

O-ring

50

01010-81230

Bolt

51

175-54-34170

Washer

52

07000-12060

O-ring

53

01010-81245

Bolt

54

01643-31232

Washer

Выбрано товаров: 56