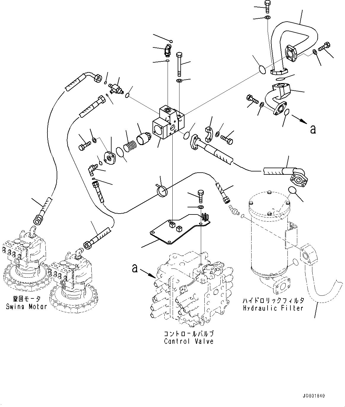
Запчасти Komatsu PC600-8R1 ВОЗВРАТ. ТРУБЫ (№7-) ВОЗВРАТ. ТРУБЫ

Схема запчастей Komatsu PC600-8R1 - ВОЗВРАТ. ТРУБЫ (№7-) ВОЗВРАТ. ТРУБЫ
34
16
17
35
23
17
18
21
18
22
19
3
20
19
2
9
28
29
24
4
30
6
8
12
11
1
37
33
36
38
35
5
32
7
27
25
10
31
26
26
13
15
14
39
FIT
1:1
100%

Артикул

Название

Примечание

Количество

1

21M-62-16182

Bracket

2

01010-81230

Bolt

3

01643-31232

Washer

3

21M-60-31221

Valve Assembly

4

Body

5

21M-60-11420

Flange

6

01010-81230

Bolt

7

01643-31232

Washer

8

207-60-51460

Poppet

9

209-60-52320

Spring

10

07000-12060

O-ring

11

01011-81225

Bolt

12

01643-31232

Washer

13

02782-10628

Elbow

14

02896-11018

O-ring

15

07002-12434

O-ring

16

21M-62-16151

Tube

17

07372-21245

Bolt

18

01643-51232

Washer

19

07000-B2060

O-ring

20

21M-62-16141

Tube

21

01010-81240

Bolt

22

01643-31232

Washer

23

07000-B3045

O-ring

24

21M-62-14460

Tee

25

07002-13334

O-ring

26

207-62-64740

O-ring

27

21M-62-14470

Hose

28

23B-16-31760

Hose

29

02782-10317

Elbow

30

07002-12034

O-ring

31

02896-11009

O-ring

32

21M-62-32220

Hose Assembly

33

08034-20536

Band

34

07297-02008

Hose, Flange Type

35

07000-B2060

O-ring

36

07371-32076

Flange, Split

37

07372-21240

Bolt

38

01643-51232

Washer

39

21M-62-16111

Tube

|$40

21M-62-16111

Tube

Выбрано товаров: 41