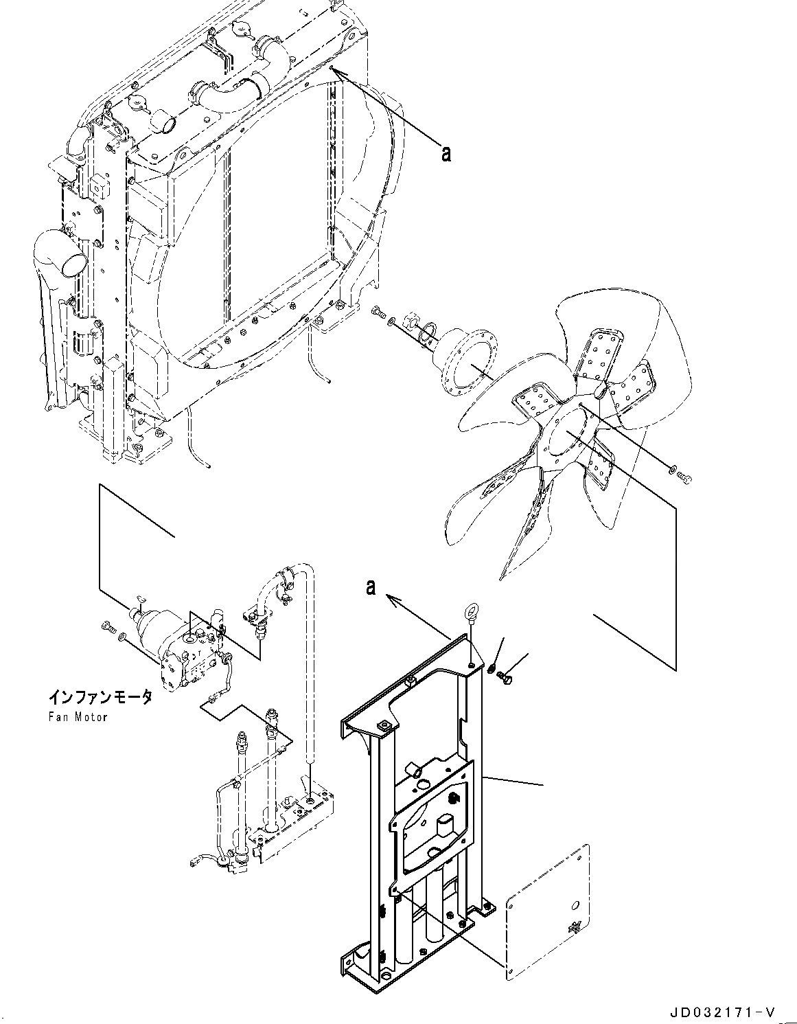
Запчасти Komatsu PC600-8R1 СИСТЕМА ОХЛАЖДЕНИЯ, КОМПОНЕНТЫ (/) (№7-) СИСТЕМА ОХЛАЖДЕНИЯ, ДЛЯ INDIA

Схема запчастей Komatsu PC600-8R1 - СИСТЕМА ОХЛАЖДЕНИЯ, КОМПОНЕНТЫ (/) (№7-) СИСТЕМА ОХЛАЖДЕНИЯ, ДЛЯ INDIA
1
3
2
FIT
1:1
100%

Артикул

Название

Примечание

Количество

1

21M-03-22111

Bracket

2

01010-81235

Bolt

3

01643-31232

Washer

Выбрано товаров: 3