Запчасти Komatsu PC600-8R1 КОНДИЦ. ВОЗДУХА, ПРИЕМНЫЙ БАК (№7-) КОНДИЦ. ВОЗДУХА

Схема запчастей Komatsu PC600-8R1 - КОНДИЦ. ВОЗДУХА, ПРИЕМНЫЙ БАК (№7-) КОНДИЦ. ВОЗДУХА
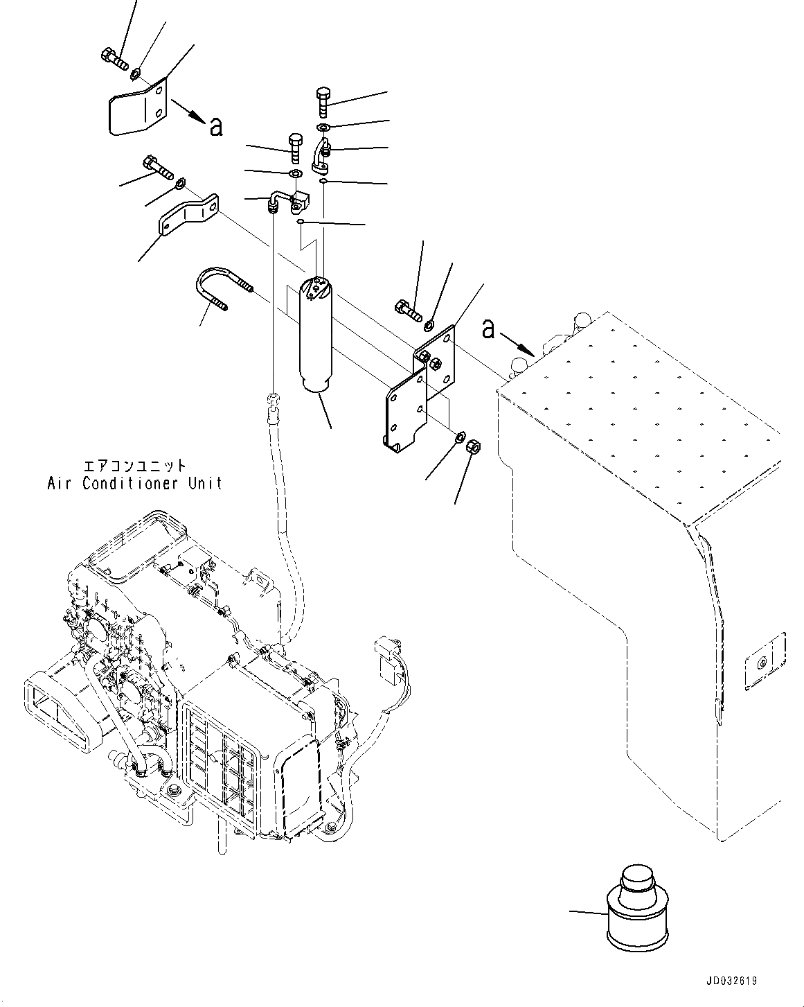
1
2
3
4
5
6
7
8
9
10
11
12
13
14
15
16
6
7
17
18
19
20
FIT
1:1
100%

Артикул

Название

Примечание

Количество

1

20Y-979-3120

Tank, Receiver

2

21M-979-2220

Tube

3

20Y-979-3150

O-ring

4

20Y-979-6650

Tube

5

20Y-979-3150

O-ring

6

01010-80625

Bolt

7

01643-30623

Washer

8

21M-979-2192

Bracket

9

07283-36155

Clip

10

01643-31032

Washer

11

01597-01009

Nut

12

01010-81225

Bolt

13

01643-31232

Washer

14

21M-979-2211

Plate

15

01010-81225

Bolt

16

01643-31232

Washer

17

21N-979-8160

Oil

18

21M-979-2231

Plate

19

01010-81230

Bolt

20

01643-31232

Washer

Выбрано товаров: 20