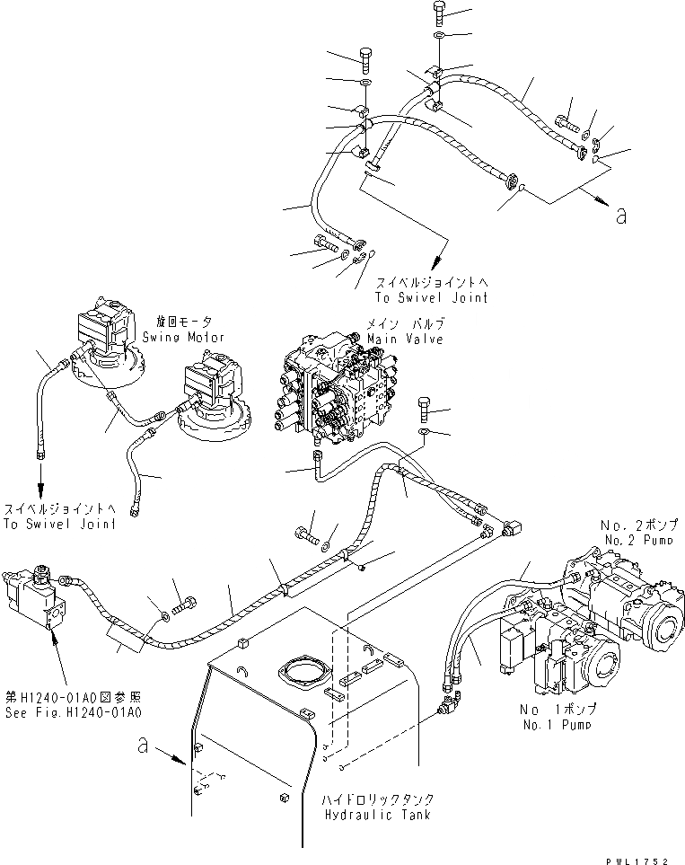
Запчасти Komatsu PC600LC-6 ВОЗВРАТН. ЛИНИЯ(№-999) ГИДРАВЛИКА

Схема запчастей Komatsu PC600LC-6 - ВОЗВРАТН. ЛИНИЯ(№-999) ГИДРАВЛИКА
1
2
3
4
5
5
6
7
8
9
10
11
12
13
14
15
16
17
18
19
19
20
21
22
23
24
24
25
26
27
28
28
29
29
29
29
30
30
31
31
FIT
1:1
100%

Артикул

Название

Примечание

Количество

1

21M-62-16512

HOSE ASS'Y

2

04434-53212

CLIP

3

01010-81230

BOLT

4

01643-31232

WASHER

5

04434-53212

CLIP

6

195-33-11220

SPACER

7

01010-81250

BOLT

8

01643-31232

WASHER

9

04434-53212

CLIP

10

01010-81225

BOLT

11

01643-31232

WASHER

12

07102-20506

HOSE

13

07102-20504

HOSE

14

07102-20506

HOSE

15

07102-20515

HOSE

16

07102-20607

HOSE

17

07102-20612

HOSE

18

07296-41019

HOSE

18

21M-62-16261

HOSE

18

21M-62-16260

HOSE

19

07000-13032

O-RING

20

07371-31049

FLANGE

21

07372-21035

BOLT

22

01643-51032

WASHER

23

21M-62-16270

HOSE

24

07000-13032

O-RING

25

07371-31049

FLANGE

26

07372-21035

BOLT

27

01643-51032

WASHER

28

07095-01037

CUSHION

28

07095-01035

CUSHION

29

07094-11024

CLAMP

30

01010-81280

BOLT

31

01643-31232

WASHER

Выбрано товаров: 34