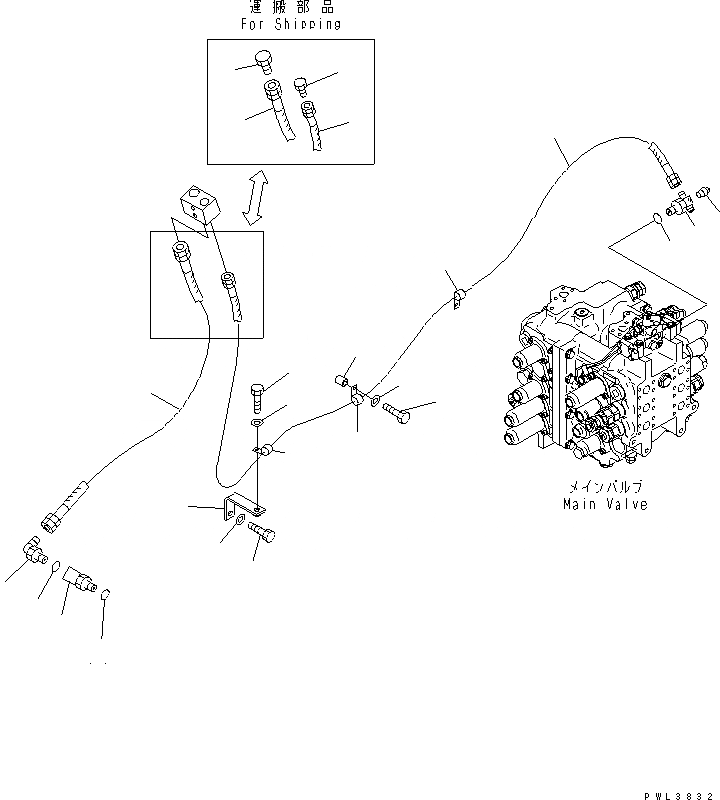
Запчасти Komatsu PC600LC-6 DRIFT PREВЕНТИЛЯТОР ЛИНИИ (РУКОЯТЬ) ГИДРАВЛИКА

Схема запчастей Komatsu PC600LC-6 - DRIFT PREВЕНТИЛЯТОР ЛИНИИ (РУКОЯТЬ) ГИДРАВЛИКА
1
1
2
3
4
5
6
7
7
8
9
10
11
12
13
14
15
16
17
18
19
20
21
22
FIT
1:1
100%

Артикул

Название

Примечание

Количество

1

07103-50328

HOSE

2

21N-62-17930

TEE

3

07002-12034

O-RING

4

07042-30108

PLUG

5

07376-50315

PLUG

6

07376-50628

PLUG

7

07103-50611

HOSE

8

207-62-62860

ELBOW

9

07002-12434

O-RING

10

07235-10628

ELBOW

11

07002-12434

O-RING

12

21M-62-18180

BRACKET

13

01010-81235

BOLT

14

01643-31232

WASHER

15

04434-52112

CLIP

16

01010-81230

BOLT

17

01643-31232

WASHER

18

04434-52112

CLIP

19

120-54-42430

SPACER

20

01010-81255

BOLT

21

01643-31232

WASHER

22

04434-52112

CLIP

Выбрано товаров: 22