Запчасти Komatsu PC600LC-6A-KJ ОСНОВН. КЛАПАН (/8) ОСНОВН. КОМПОНЕНТЫ И РЕМКОМПЛЕКТЫ

Схема запчастей Komatsu PC600LC-6A-KJ - ОСНОВН. КЛАПАН (/8) ОСНОВН. КОМПОНЕНТЫ И РЕМКОМПЛЕКТЫ
1
2
3
4
5
6
7
7
7
7
7
7
7
7
8
8
8
8
8
8
8
8
8
8
8
8
8
9
9
9
9
10
10
10
10
10
11
11
11
12
FIT
1:1
100%

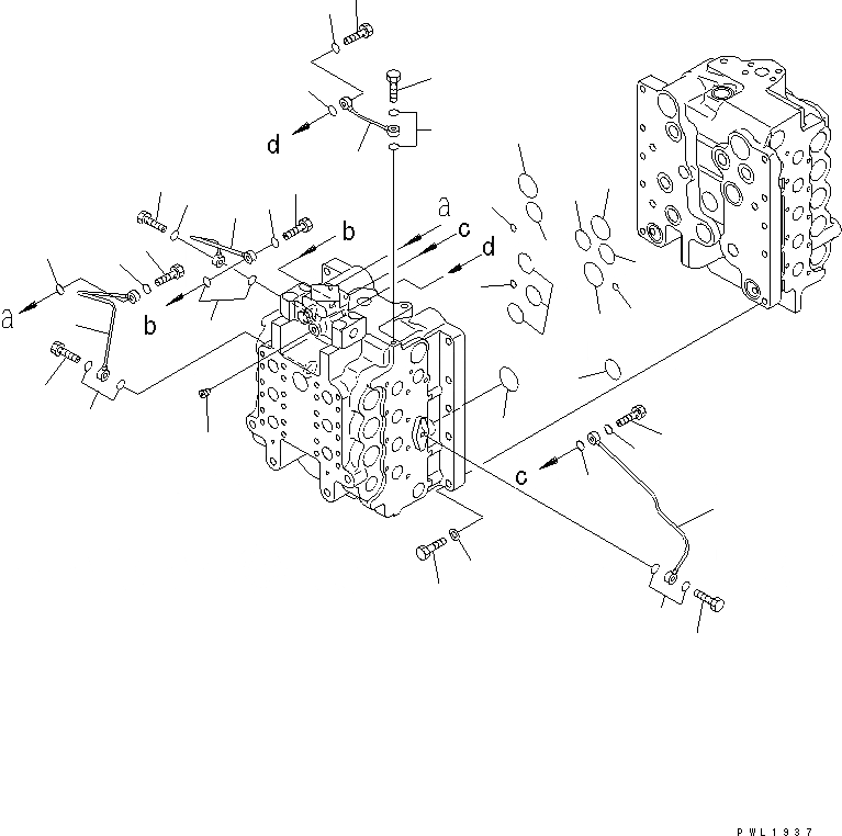
Артикул

Название

Примечание

Количество

|1

709-99-14701

CONTROL VALVE

|1

709-99-14700

CONTROL VALVE

1

01010-81250

BOLT

2

01643-31232

WASHER

3

709-99-11111

TUBE

4

709-99-11121

TUBE

5

709-99-11141

TUBE

6

709-99-11132

TUBE

7

709-79-11190

BOLT

8

07000-12011

O-RING

9

07000-13040

O-RING

10

07000-13032

O-RING

11

07000-12010

O-RING

12

07043-70108

PLUG

Выбрано товаров: 14