Запчасти Komatsu PC600LC-6A-KJ ДОПОЛН. РАБОЧ. ОСВЕЩЕНИЕ И ПОДСВЕТКА СТУПЕНЕЙ (ДЛЯ ЕС)(№-) ЭЛЕКТРИКА

Схема запчастей Komatsu PC600LC-6A-KJ - ДОПОЛН. РАБОЧ. ОСВЕЩЕНИЕ И ПОДСВЕТКА СТУПЕНЕЙ (ДЛЯ ЕС)(№-) ЭЛЕКТРИКА
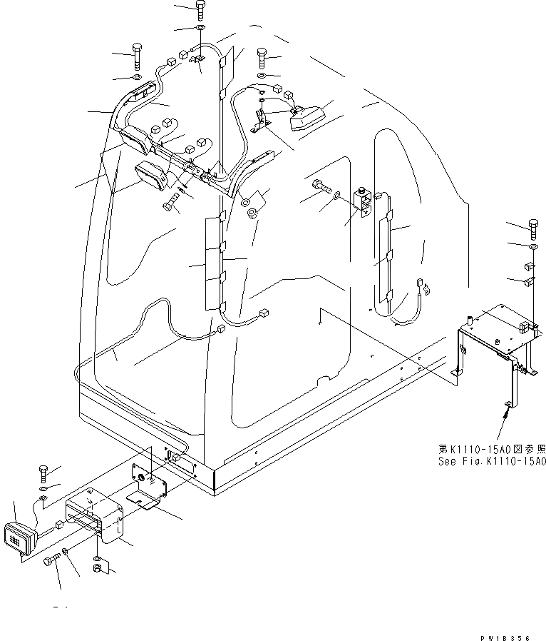
1
1
2
3
4
5
6
7
8
9
10
11
12
13
13
14
15
16
17
18
19
20
21
22
23
23
24
25
26
26
27
28
28
29
29
30
31
FIT
1:1
100%

Артикул

Название

Примечание

Количество

1

21T-06-67871

WORK LAMP ASS'Y

|1

421-06-23330

BULB¤ 70W,70W

2

203-06-61810

BRACKET

3

01010-80860

BOLT

4

01643-30823

WASHER

5

209-06-71221

WIRING HARNESS

6

01010-80612

BOLT

7

209-72-12230

WASHER

8

08034-20414

BAND

9

209-06-78510

WIRING HARNESS

10

209-06-71241

BRACKET

11

01010-81220

BOLT

12

01643-31232

WASHER

13

20Y-54-13440

CLIP

14

20Y-06-25310

WORK LAMP ASS'Y

|14

421-06-23330

BULB¤ 70W,70W

15

209-06-71251

BRACKET

16

01010-80612

BOLT

17

209-72-12230

WASHER

18

209-06-72411

SWITCH

19

01010-81030

BOLT

20

01643-31032

WASHER

21

209-06-72431

WIRING HARNESS

22

20Y-54-13440

CLIP

23

569-06-61960

RELAY

24

01010-80616

BOLT

25

01643-30623

WASHER

26

21T-06-67871

WORK LAMP ASS'Y

|26

421-06-23330

BULB¤ 70W,70W

27

21M-06-15520

BRACKET

28

01010-81230

BOLT

29

01643-31232

WASHER

30

21M-06-15530

BRACKET

31

21M-06-15540

WIRING HARNESS

Выбрано товаров: 34