Запчасти Komatsu PC600LC-6A NO. НАСОС(№-) ГИДРАВЛИКА

Схема запчастей Komatsu PC600LC-6A - NO. НАСОС(№-) ГИДРАВЛИКА
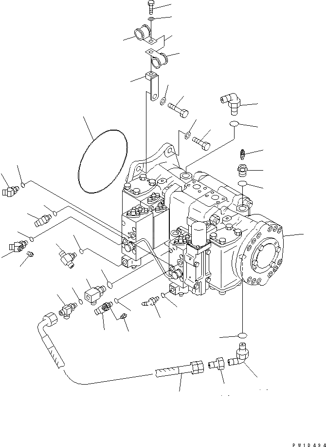
1
2
3
4
5
6
7
8
9
10
11
11
12
12
13
13
14
14
14
14
15
16
17
18
19
20
21
22
23
24
25
25
26
27
28
29
30
30
31
FIT
1:1
100%

Артикул

Название

Примечание

Количество

1

207-62-56220

TEE

2

07002-52034

O-RING

3

21T-62-29960

TEE

4

07002-51423

O-RING

5

07235-10311

ELBOW

6

07002-51423

O-RING

7

07235-10628

ELBOW

8

07002-52434

O-RING

9

20Y-62-11780

TEE

10

07002-51423

O-RING

11

22X-61-18550

ELBOW

12

20Y-62-17720

ELBOW

13

07042-30108

PLUG

14

07002-51423

O-RING

15

07235-10318

ELBOW

16

07002-52434

O-RING

17

07623-10304

HOSE

18

12F-62-33241

NIPPLE

19

708-2L-00910

PUMP ASS'Y

20

706-87-40150

PLUG

21

20B-27-11210

BLEEDER

22

07002-52434

O-RING

23

198-49-46260

BRACKET

24

04434-53412

CLIP

25

07095-30627

CUSHION

26

01010-81230

BOLT

27

01643-31232

WASHER

28

01010-81650

BOLT

29

01010-81665

BOLT

30

01643-31645

WASHER

31

07000-55230

O-RING

Выбрано товаров: 0