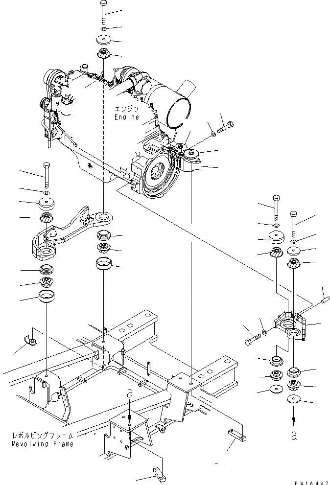
Запчасти Komatsu PC600LC-6A КРЕПЛЕНИЕ ДВИГАТЕЛЯ(№-) КОМПОНЕНТЫ ДВИГАТЕЛЯ
№
Артикул
Название
Примечание
Количество
1
21M-01-15320
BRACKET
2
21M-01-15330
BRACKET
3
01010-81685
BOLT
4
01010-81675
BOLT
5
01643-31645
WASHER
6
04020-01434
PIN
7
207-01-35140
CUSHION
8
21M-01-15360
STOPPER
9
208-01-11151
WASHER
10
21M-01-15370
STOPPER
11
208-01-11221
COLLAR
12
208-01-11181
BOLT
13
01643-32460
WASHER
14
207-01-35140
CUSHION
15
21M-01-11360
STOPPER
16
208-01-11151
WASHER
17
208-01-11161
WASHER
18
208-01-11221
COLLAR
19
208-01-11181
BOLT
20
01643-32460
WASHER
21
208-01-11171
PLATE
22
21M-01-11340
PLATE
Выбрано товаров: 22