Запчасти Komatsu PC600LC-6A МЕХАНИЗМ ПОВОРОТА (БЛОК) ( АКТУАТОР) (ЛЕВ.) (ДЛЯ МОЛОТА)(№-999) ПОВОРОТН. КРУГ И КОМПОНЕНТЫ

Схема запчастей Komatsu PC600LC-6A - МЕХАНИЗМ ПОВОРОТА (БЛОК) ( АКТУАТОР) (ЛЕВ.) (ДЛЯ МОЛОТА)(№-999) ПОВОРОТН. КРУГ И КОМПОНЕНТЫ
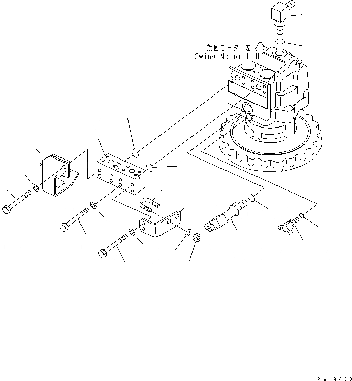
1
2
2
3
4
4
5
5
6
7
8
9
10
11
12
13
14
15
16
17
FIT
1:1
100%

Артикул

Название

Примечание

Количество

1

20Y-62-21421

BLOCK

2

07000-13030

O-RING

3

21M-62-16250

BRACKET

4

01010-81080

BOLT

5

01643-31032

WASHER

6

01010-81075

BOLT

7

01643-31032

WASHER

8

20Y-62-21620

TEE

9

07002-12434

O-RING

10

417-855-1370

ELBOW

11

07002-12434

O-RING

12

20Y-62-22530

TEE

13

07002-11423

O-RING

14

21M-26-11230

BRACKET

15

07283-22738

CLIP

16

01643-31032

WASHER

17

01597-01009

NUT

Выбрано товаров: 0