Запчасти Komatsu PC600LC-6A ПОДСВЕТКА СТУПЕНЕЙ И ИМПУЛЬСН. ОСВЕЩЕНИЕ (С FOG)(№-) ЭЛЕКТРИКА

Схема запчастей Komatsu PC600LC-6A - ПОДСВЕТКА СТУПЕНЕЙ И ИМПУЛЬСН. ОСВЕЩЕНИЕ (С FOG)(№-) ЭЛЕКТРИКА
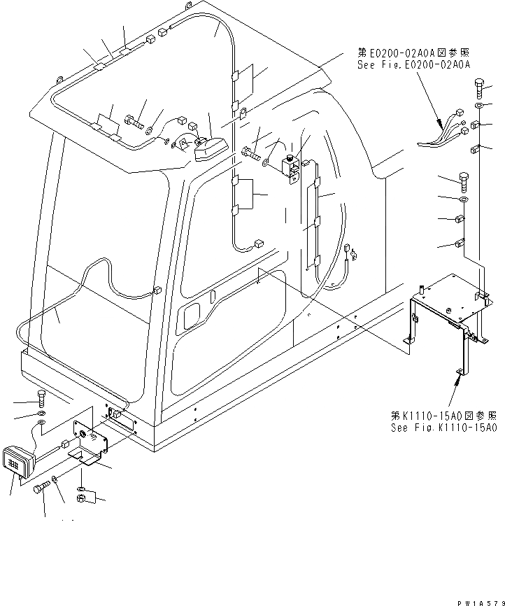
1
2
3
4
5
6
6
6
6
6
7
8
9
10
11
12
12
13
13
14
15
15
16
16
17
18
19
20
21
22
23
FIT
1:1
100%

Артикул

Название

Примечание

Количество

1

20Y-06-25310

WORKING LAMP ASS'Y

1

421-06-23330

BULB, 70W,24V

2

01010-81020

BOLT

3

01643-31032

WASHER

4

21M-06-15550

WIRING HARNESS

5

209-06-71231

WIRING HARNESS

6

20Y-54-13440

CLIP

7

209-06-72411

SWITCH

8

01010-81030

BOLT

9

01643-31032

WASHER

10

209-06-72431

WIRING HARNESS

11

20Y-54-13440

CLIP

12

569-06-61960

RELAY

13

20Y-06-25310

WORKING LAMP ASS'Y

13

421-06-23330

BULB, 70W,24V

14

21M-06-15520

BRACKET

15

01010-81230

BOLT

16

01643-31232

WASHER

17

21M-06-15540

WIRING HARNESS

18

569-06-61960

RELAY

19

01010-80620

BOLT

20

01643-30623

WASHER

21

569-06-61960

RELAY

22

01010-80620

BOLT

23

01643-30623

WASHER

Выбрано товаров: 25