Запчасти Komatsu PC600LC-6K ДОПОЛН. РАБОЧ. ОСВЕЩЕНИЕ И ПОДСВЕТКА СТУПЕНЕЙ ЭЛЕКТРИКА

Схема запчастей Komatsu PC600LC-6K - ДОПОЛН. РАБОЧ. ОСВЕЩЕНИЕ И ПОДСВЕТКА СТУПЕНЕЙ ЭЛЕКТРИКА
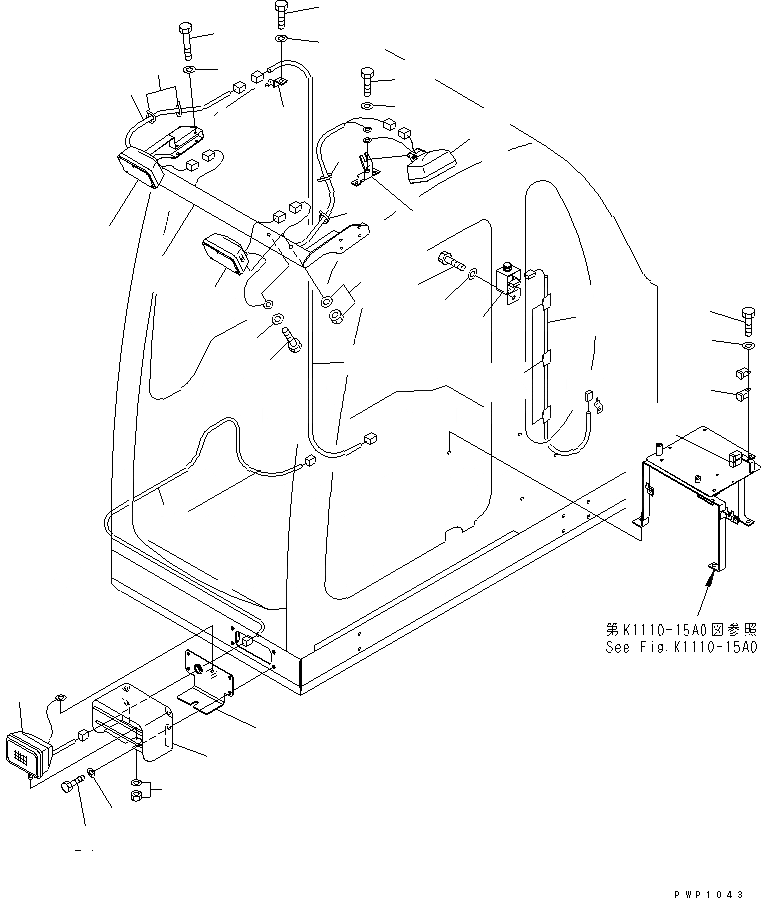
1
1
1
2
3
4
5
6
7
8
8
8
9
10
11
12
13
14
15
16
17
18
19
20
21
22
22
23
24
25
25
26
27
28
29
30
FIT
1:1
100%

Артикул

Название

Примечание

Количество

1

205-06-K1223

WORK LAMP ASS'Y

|1

205-06-K1890

BULB¤ 70W

2

20Y-54-K8710

BRACKET

3

01010-80860

BOLT

4

01643-30823

WASHER

5

209-06-78490

WIRING HARNESS

6

01010-80612

BOLT

7

209-72-12230

WASHER

8

08034-20414

BAND

9

209-06-78510

WIRING HARNESS

10

209-06-71241

BRACKET

11

01010-81220

BOLT

12

01643-31232

WASHER

13

205-06-K1223

WORK LAMP ASS'Y

|13

205-06-K1890

BULB¤ 70W

14

209-06-78450

BRACKET

15

01010-80612

BOLT

16

209-72-12230

WASHER

17

209-06-72411

SWITCH

18

01010-81030

BOLT

19

01643-31032

WASHER

20

209-06-72431

WIRING HARNESS

21

205-54-K4030

CLIP

22

569-06-61960

RELAY

23

01010-80616

BOLT

24

01643-30623

WASHER

25

205-06-K1223

WORK LAMP ASS'Y

|25

205-06-K1890

BULB¤ 70W

26

21M-06-K1170

BRACKET

27

01010-81230

BOLT

28

01643-31232

WASHER

29

21M-06-15530

BRACKET

30

21M-06-K1150

WIRING HARNESS

Выбрано товаров: 33