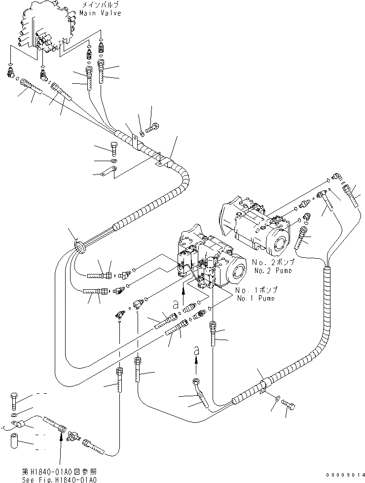
Запчасти Komatsu PC600LC-7-M1 O.L.S.S. ЛИНИЯ ГИДРАВЛИКА

Схема запчастей Komatsu PC600LC-7-M1 - O.L.S.S. ЛИНИЯ ГИДРАВЛИКА
1
1
2
2
2
2
2
2
3
3
4
4
5
5
6
6
7
8
8
9
9
10
10
11
11
12
12
13
14
15
16
17
18
19
20
21
22
23
24
25
26
27
28
FIT
1:1
100%

Артикул

Название

Примечание

Количество

1

02753-00315

HOSE

2

02753-00317

HOSE

3

20Y-62-22790

BAND¤ RED

4

20Y-62-22810

BAND¤ YELLOW

5

20Y-62-22820

BAND¤ BLUE

6

20Y-62-22830

BAND¤ WHITE

7

08034-20536

BAND

8

21M-62-14840

HOSE

9

02764-00312

HOSE

10

02762-00312

HOSE

11

20Y-62-22840

BAND¤ BLACK

12

20Y-62-22860

BAND¤ BROWN

13

02896-11009

O-RING

14

113-899-7950

CLIP

15

01010-81225

BOLT

16

01643-31232

WASHER

17

23T-62-12160

CLIP

18

01010-81230

BOLT

19

01643-31232

WASHER

20

04434-51512

CLIP

21

22S-62-26210

SPACER

22

01011-81205

BOLT

23

01643-31232

WASHER

24

20Y-06-21240

PLATE

25

207-62-33690

CLIP

26

01010-81230

BOLT

27

01643-31232

WASHER

28

02762-003A6

HOSE

Выбрано товаров: 28