Запчасти Komatsu PC600LC-7 ОСНОВН. КОНСТРУКЦИЯ (ЭЛЕКТР.) (БОЛ. WIND) КАБИНА ОПЕРАТОРА И СИСТЕМА УПРАВЛЕНИЯ

Схема запчастей Komatsu PC600LC-7 - ОСНОВН. КОНСТРУКЦИЯ (ЭЛЕКТР.) (БОЛ. WIND) КАБИНА ОПЕРАТОРА И СИСТЕМА УПРАВЛЕНИЯ
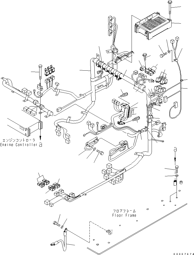
1
2
3
4
5
6
7
8
9
10
11
11
12
13
14
14
15
16
16
16
16
17
18
19
20
21
22
23
24
24
25
25
25
26
27
28
29
29
30
FIT
1:1
100%

Артикул

Название

Примечание

Количество

1

7835-28-3002

CONTROLLER

1

7835-28-3001

CONTROLLER

2

01435-00880

BOLT

3

7861-94-2000

RESISTOR

4

01010-80820

BOLT

5

01643-30823

WASHER

6

209-06-73450

WIRING HARNESS

7

08041-01000

FUSE, 10A

8

08041-02000

FUSE, 20A

9

08041-02500

FUSE, 25A

9

19M-06-31720

RESISTOR

10

20Y-979-6870

SHEET

11

08034-20519

BAND

12

01023-60620

SCREW

13

01023-60620

SCREW

14

569-06-61960

RELAY

15

01435-00612

BOLT

16

8233-06-3350

DIODE

17

08028-43030

CABLE, GROUND

18

01010-81020

BOLT

19

01643-31032

WASHER

20

01010-81020

BOLT

21

01643-31032

WASHER

22

567-99-71240

BOLT

23

20Y-979-6861

WIRING HARNESS

24

08034-20519

BAND

25

08034-20536

BAND

26

04434-51408

CLIP

27

01010-80820

BOLT

28

01643-30823

WASHER

29

08034-20519

BAND

30

08034-20536

BAND

Выбрано товаров: 32