Запчасти Komatsu PC600LC-7 ОСНОВН. КЛАПАН ( АКТУАТОР) (ДЛЯ МОЛОТА) (/) ГИДРАВЛИКА

Схема запчастей Komatsu PC600LC-7 - ОСНОВН. КЛАПАН ( АКТУАТОР) (ДЛЯ МОЛОТА) (/) ГИДРАВЛИКА
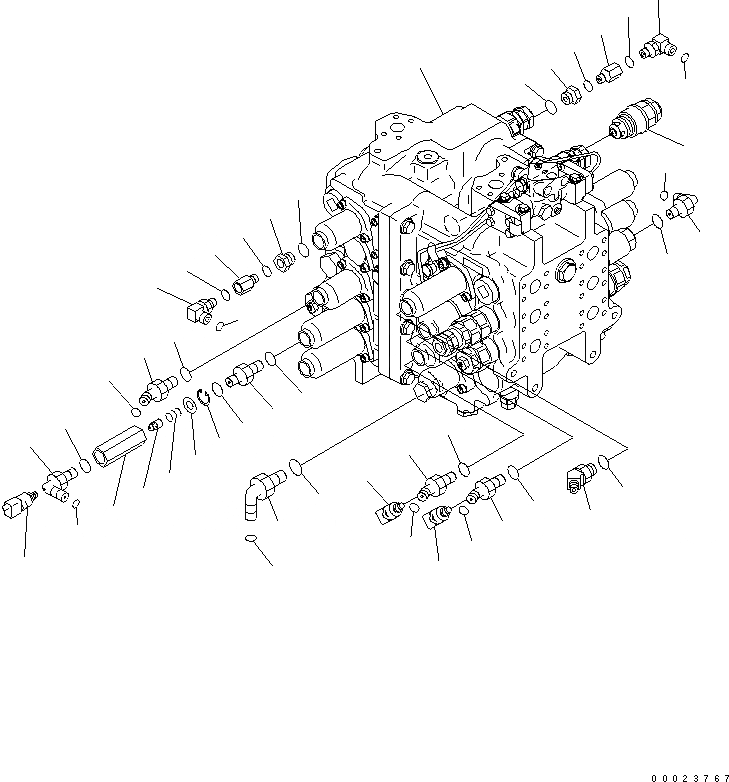
1
2
3
4
5
5
6
6
7
7
8
9
10
11
12
13
14
15
16
17
18
19
20
21
22
23
24
25
26
27
28
28
29
29
30
30
31
31
32
32
33
33
34
34
35
36
37
FIT
1:1
100%

Артикул

Название

Примечание

Количество

1

709-99-14702

CONTROL VALVE

2

709-90-71400

VALVE ASS'Y

3

21M-62-14330

ELBOW

4

21M-62-14340

ELBOW

5

02896-11009

O-RING

6

07002-12034

O-RING

7

206-06-61130

SWITCH

8

203-973-5610

UNION

9

07002-12034

O-RING

|$10

21M-60-11510

VALVE ASS'Y

10

205-60-51410

SPRING

11

205-60-51420

SEAT

12

BODY

13

21M-60-11520

POPPET

14

04065-01410

RING

15

07002-12034

O-RING

16

21M-62-14350

ELBOW

17

07002-12034

O-RING

18

206-06-61130

SWITCH

19

02896-11009

O-RING

20

21M-62-14360

ELBOW

21

07002-12034

O-RING

22

02783-10315

ELBOW

23

07002-12034

O-RING

24

02896-11009

O-RING

25

02782-10522

ELBOW

26

07002-12434

O-RING

27

02896-11015

O-RING

28

21M-62-16670

ADAPTER

29

07002-11423

O-RING

30

20Y-62-21940

FILTER ASS'Y

31

07002-12034

O-RING

32

8296-62-2160

ELBOW

33

07002-11423

O-RING

34

02896-11009

O-RING

35

02782-10316

ELBOW

36

07002-12034

O-RING

37

02896-11009

O-RING

Выбрано товаров: 0