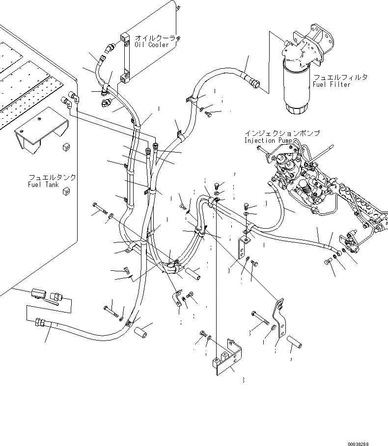
Запчасти Komatsu PC600LC-8 ТОПЛИВОПРОВОД. (ТОПЛИВН. ШЛАНГИ)(№-7) ТОПЛИВН. БАК. AND КОМПОНЕНТЫ

Схема запчастей Komatsu PC600LC-8 - ТОПЛИВОПРОВОД. (ТОПЛИВН. ШЛАНГИ)(№-7) ТОПЛИВН. БАК. AND КОМПОНЕНТЫ
1
1
2
2
3
3
4
4
5
5
6
6
7
7
8
9
9
10
10
10
10
10
11
12
13
14
15
16
17
18
19
20
21
22
23
24
25
26
27
28
29
29
29
29
29
29
29
29
29
29
30
30
31
31
32
33
34
35
35
35
35
36
36
36
36
37
37
38
38
FIT
1:1
100%

Артикул

Название

Примечание

Количество

1

21M-04-21190

HOSE

2

21M-04-21251

HOSE

3

20Y-62-22790

BAND, RED

4

21M-04-21261

HOSE

5

20Y-62-22820

BAND, BLUE

6

21M-04-21280

HOSE

7

20Y-62-22850

BAND, GREEN

8

07206-31014

BOLT

8

07206-31014

BOLT

9

07005-01412

SEAL, WASHER

9

07005-01412

SEAL, WASHER

10

04434-52312

CLIP

11

206-62-41670

COLLAR

12

01010-81280

BOLT

13

01643-31232

WASHER

14

01010-81225

BOLT

15

01643-31232

WASHER

16

21M-04-21231

BRACKET

17

22S-62-26210

SPACER

18

01011-81210

BOLT

19

01643-31232

WASHER

20

21M-04-21240

BRACKET

21

01010-81225

BOLT

22

01643-31232

WASHER

23

21M-04-21210

BRACKET

24

01010-81225

BOLT

25

01643-31232

WASHER

26

17M-49-15260

BRACKET

27

01010-81225

BOLT

28

01643-31232

WASHER

29

04435-51512

CLIP

30

01010-81225

BOLT

31

01643-31232

WASHER

32

22S-62-26210

SPACER

33

01011-81210

BOLT

34

01643-31232

WASHER

35

07095-20314

CUSHION

36

04434-52112

CLIP

37

01010-81225

BOLT

38

01643-31232

WASHER

Выбрано товаров: 40