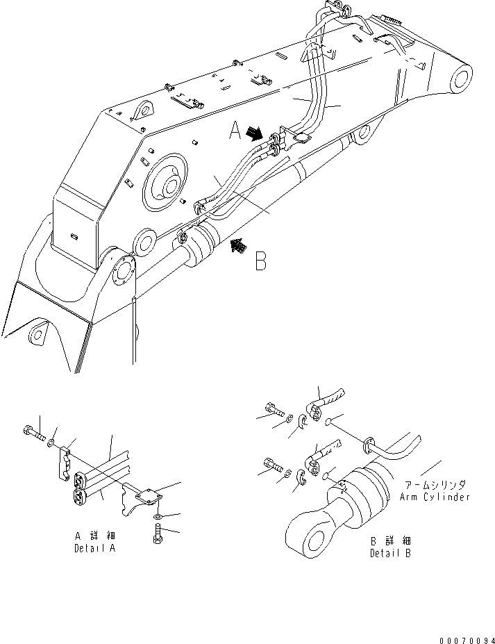
Запчасти Komatsu PC600LC-8 РАБОЧЕЕ ОБОРУДОВАНИЕ (ЦИЛИНДР РУКОЯТИТРУБЫ) (ШЛАНГИ) (ДЛЯ ПОГРУЗ.) РАБОЧЕЕ ОБОРУДОВАНИЕ

Схема запчастей Komatsu PC600LC-8 - РАБОЧЕЕ ОБОРУДОВАНИЕ (ЦИЛИНДР РУКОЯТИТРУБЫ) (ШЛАНГИ) (ДЛЯ ПОГРУЗ.) РАБОЧЕЕ ОБОРУДОВАНИЕ
1
1
2
3
4
5
6
7
8
8
9
10
11
12
13
13
14
14
15
16
17
18
FIT
1:1
100%

Артикул

Название

Примечание

Количество

1

21M-72-11460

TUBE

2

21M-72-11710

BRACKET

3

01010-81230

BOLT

4

01643-31232

WASHER

5

209-62-58531

CLAMP

6

01010-81270

BOLT

7

01643-31232

WASHER

8

07084-21214

HOSE

9

07371-51260

FLANGE

10

01010-81245

BOLT

11

01643-31232

WASHER

12

07000-13038

O-RING

13

21M-72-11470

TUBE

14

07084-21215

HOSE

15

07371-51260

FLANGE

16

01010-81245

BOLT

17

01643-31232

WASHER

18

07000-13038

O-RING

Выбрано товаров: 18