Запчасти Komatsu PC600LC-8 ОСНОВН. НАСОС (/) (NO. НАСОС) ОСНОВН. КОМПОНЕНТЫ И РЕМКОМПЛЕКТЫ

Схема запчастей Komatsu PC600LC-8 - ОСНОВН. НАСОС (/) (NO. НАСОС) ОСНОВН. КОМПОНЕНТЫ И РЕМКОМПЛЕКТЫ
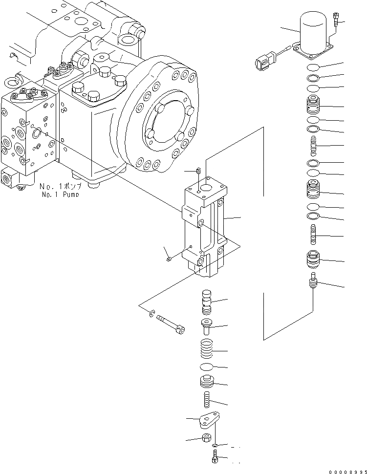
1
2
3
4
5
6
6
7
7
7
7
8
8
8
8
9
10
11
12
13
14
15
16
17
18
19
20
20
21
22
FIT
1:1
100%

Артикул

Название

Примечание

Количество

|$2

708-2L-00771

PUMP ASS'Y

|$3

708-2L-00770

PUMP ASS'Y

|$5

708-25-85271

SERVO VALVE ASS'Y,REAR

|$6

708-25-85270

SERVO VALVE ASS'Y,REAR

|$7

708-2L-07620

TVC VALVE ASS'Y

|$8

708-25-08990

TVC VALVE ASS'Y

|$9

708-23-00451

BODY ASS'Y

1

BODY

2

PLUG

3

EXPANDER

4

708-27-18120

PISTON

5

708-27-18130

SLEEVE

6

708-27-18140

PISTON

7

07000-B2016

O-RING

7

07000-12016

O-RING

8

07001-02016

RING,BACK-UP

9

708-23-18161

SPOOL

10

708-23-18170

SEAT

11

708-25-18180

SPRING

12

708-25-15340

SCREW

13

07000-B2018

O-RING

13

07000-12018

O-RING

14

708-23-18210

COVER

15

01580-10806

NUT

16

708-2L-25190

SOLENOID ASS'Y

17

07000-B2016

O-RING

17

07000-12016

O-RING

18

708-23-18250

BOLT

19

01252-60616

BOLT

20

708-27-18150

SLEEVE

21

01602-20619

WASHER

22

708-23-15160

PLUG

Выбрано товаров: 32