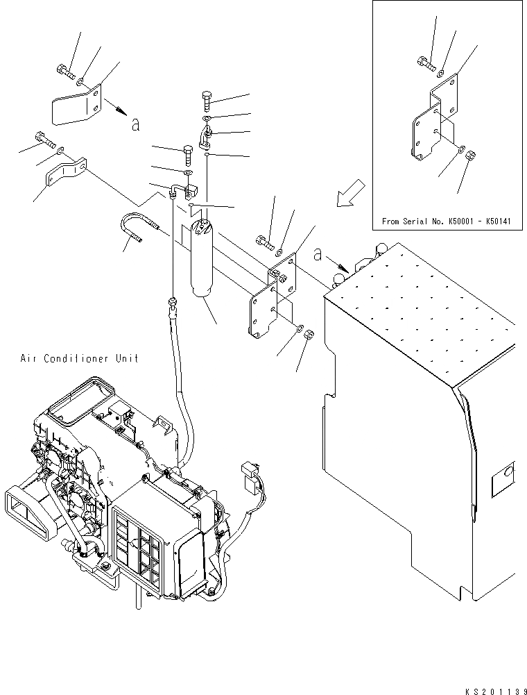
Запчасти Komatsu PC600LC-8 КОНДИЦ. ВОЗДУХА (ПРИЕМНЫЙ БАК) K OPERATORґS ОБСТАНОВКА И СИСТЕМА УПРАВЛЕНИЯ

Схема запчастей Komatsu PC600LC-8 - КОНДИЦ. ВОЗДУХА (ПРИЕМНЫЙ БАК) K OPERATORґS ОБСТАНОВКА И СИСТЕМА УПРАВЛЕНИЯ
18
19
17
9
1
10
11
8
13
12
5
6
7
2
3
4
7
6
14
16
15
10
11
8
13
12
FIT
1:1
100%

Артикул

Название

Примечание

Количество

1

20Y-979-3120

TANK

2

21M-979-2220

TUBE

3

20Y-979-3150

O-RING

4

20Y-979-6650

TUBE

5

20Y-979-3150

O-RING

6

01010-80625

BOLT

7

01643-30623

WASHER

8

21M-979-2192

BRACKET

|8

21M-979-2190

BRACKET

9

07283-36155

CLIP

10

01643-31032

WASHER

11

01597-01009

NUT

12

01010-81225

BOLT

13

01643-31232

WASHER

14

21M-979-2211

PLATE

|14

21M-979-2210

PLATE

15

01010-81225

BOLT

16

01643-31232

WASHER

17

21M-979-2231

PLATE

18

01010-81230

BOLT

19

01643-31232

WASHER

Выбрано товаров: 0