Запчасти Komatsu PC600LC-8 ЦЕНТР. РАМА R ХОДОВАЯ

Схема запчастей Komatsu PC600LC-8 - ЦЕНТР. РАМА R ХОДОВАЯ
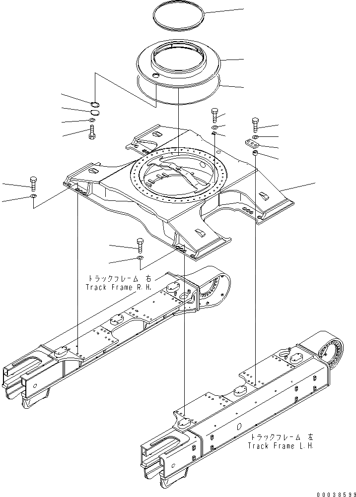
1
2
3
4
5
6
6
7
8
9
10
11
12
13
14
14
15
15
16
FIT
1:1
100%

Артикул

Название

Примечание

Количество

1

21M-30-11120

FRAME

2

209-30-11330

SPACER

3

21M-30-12170

PLATE

4

01643-33690

WASHER

5

01011-83630

BOLT

6

01643-33380

WASHER

7

15A-78-11270

BOLT

8

15A-78-11270

BOLT

9

21M-30-23110

COVER

10

21M-30-13120

SEAL

11

21M-30-13140

SEAL

12

205-30-71191

GASKET

13

205-30-71181

COVER

14

01643-31232

WASHER

15

01010-81225

BOLT

16

21M-30-13130

BRACKET

Выбрано товаров: 16