Запчасти Komatsu PC600LC-8E0 МЕХАНИЗМ ПОВОРОТА И МОТОР, БЛОК (/) (№-) МЕХАНИЗМ ПОВОРОТА И МОТОР

Схема запчастей Komatsu PC600LC-8E0 - МЕХАНИЗМ ПОВОРОТА И МОТОР, БЛОК (/) (№-) МЕХАНИЗМ ПОВОРОТА И МОТОР
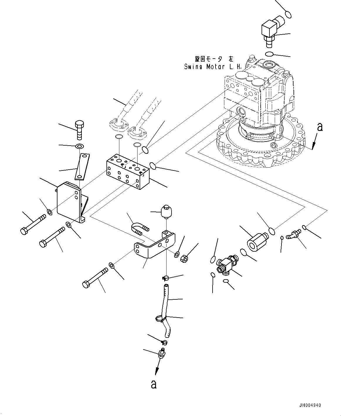
31
4
6
2
2
12
17
16
20
19
11
1
3
7
8
10
9
7
8
23
24
25
22
5
21
18
13
13
30
28
29
27
28
26
14
15
13
FIT
1:1
100%

Артикул

Название

Примечание

Количество

1

20Y-62-21421

Block

2

07000-13030

O-ring

3

21M-26-31250

Bracket

4

207-977-5120

Bracket

5

01010-81230

Bolt

6

01643-31232

Washer

7

01010-81080

Bolt

8

01643-31032

Washer

9

01010-81075

Bolt

10

01643-31032

Washer

11

11Y-62-12450

Tee

12

07002-12434

O-ring

13

02896-11015

O-ring

14

201-62-71810

Joint

15

07002-12434

O-ring

16

207-62-72131

Elbow

17

07002-12434

O-ring

18

207-62-64740

O-ring

19

02782-10311

Elbow

20

07002-11423

O-ring

21

02896-11009

O-ring

22

21M-26-21190

Bracket

23

07283-22738

Clip

24

01643-31032

Washer

25

01597-01009

Nut

26

07030-00252

Breather

27

07286-01025

Hose

28

07285-00130

Clip

29

08034-40521

Band

30

6138-55-7610

Nipple

31

07097-00607

Hose, Flange Type

Выбрано товаров: 0