Качественные детали и логистика
Оригинальные и аналоговые запчасти с доставкой по России, Казахстану и Беларуси
©2022 PartSell ООО "Система" ИНН 2463123282 ОГРН 1212400004838
Центральный офис: г. Красноярск, Академика Киренского, д.87, пом.4
Телефон: 8 (800) 777-65-74 Email: zakaz@partsell.ru
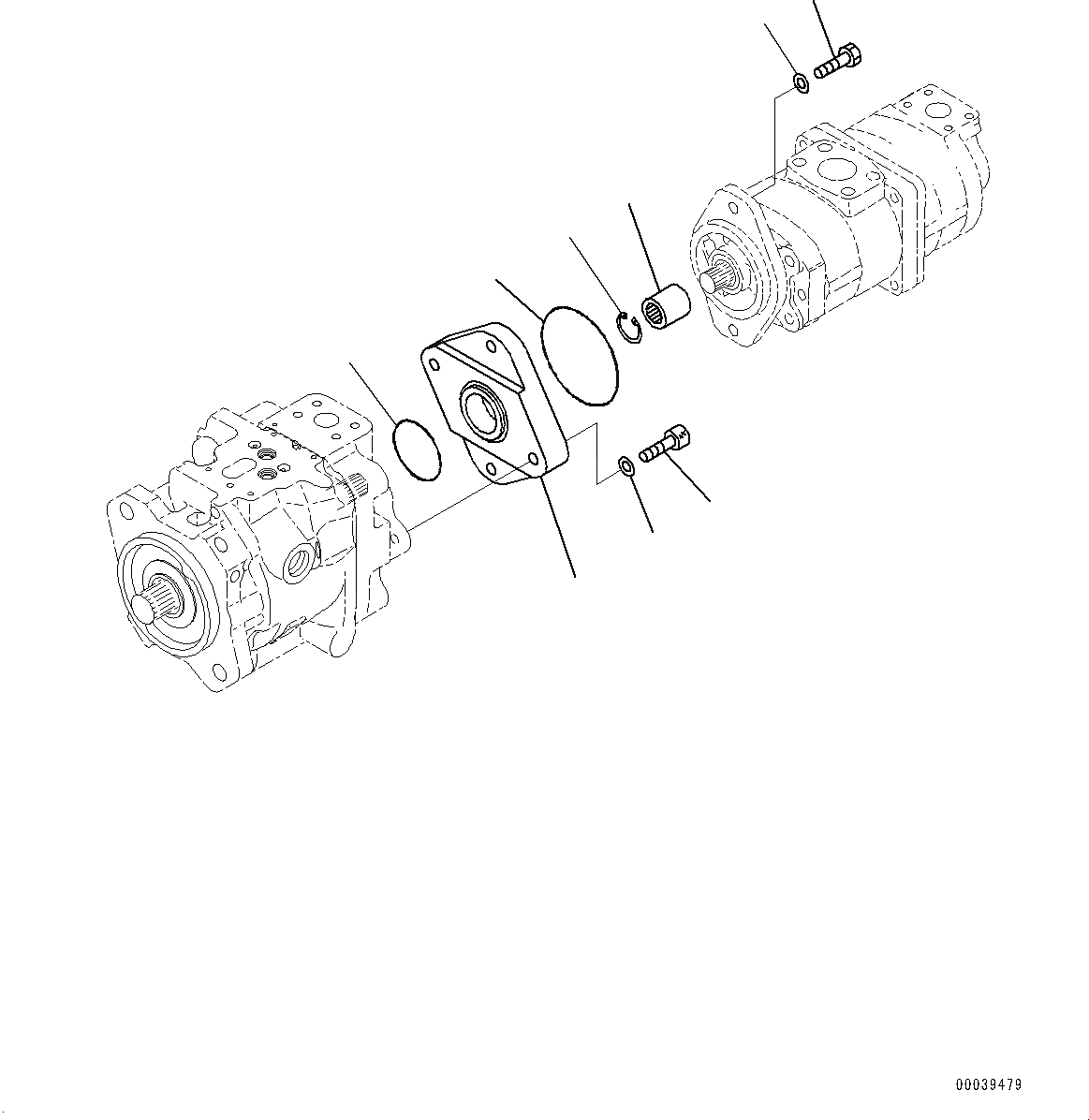
ПРИВОД НАСОС, НАСОС ВЕНТИЛЯТОРА (7/7) (№-)
№
Артикул
Название
Примечание
Количество
|$0
708-1U-00202
Pump Assembly
1
708-1U-19120
Plate
2
01252-61235
Bolt, Hexagon Socket Head
3
01643-31232
Washer
4
07372-21235
Bolt
5
708-1W-28150
Coupling, Dowel
6
04065-02012
Ring, Snap
7
07000-B2060
O-ring
8
07000-B2100
Выбрано товаров: 0