Запчасти Komatsu PC600LC-8E0 НАВЕСН. ОБОРУД ТРУБЫ, УПРАВЛЯЮЩ. КЛАПАН, НИЖН. РАЗГРУЗКА (/) (№-) НАВЕСН. ОБОРУД ТРУБЫ, ДЛЯ ПРЯМАЯ ЛОПАТА CONFIGURATION

Схема запчастей Komatsu PC600LC-8E0 - НАВЕСН. ОБОРУД ТРУБЫ, УПРАВЛЯЮЩ. КЛАПАН, НИЖН. РАЗГРУЗКА (/) (№-) НАВЕСН. ОБОРУД ТРУБЫ, ДЛЯ ПРЯМАЯ ЛОПАТА CONFIGURATION
10
12
13
11
7
8
14
8
7
1
3
2
7
8
6
5
4
12
13
11
10
9
14
FIT
1:1
100%

Артикул

Название

Примечание

Количество

|$0

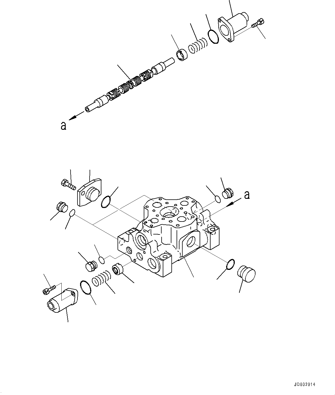
700-91-71000

Valve, Control

1

Valve Body

2

07040-13618

Plug

3

07002-13634

O-ring

4

700-93-12520

Flange

5

07000-13035

O-ring

6

01010-81225

Bolt

7

700-22-11370

Plug

8

07002-12434

O-ring

9

Spool

10

709-94-91130

Retainer

11

709-94-91120

Spring

12

709-94-91210

Case

13

07430-71380

O-ring

14

01252-60820

Bolt, Hexagon Socket Head

Выбрано товаров: 15