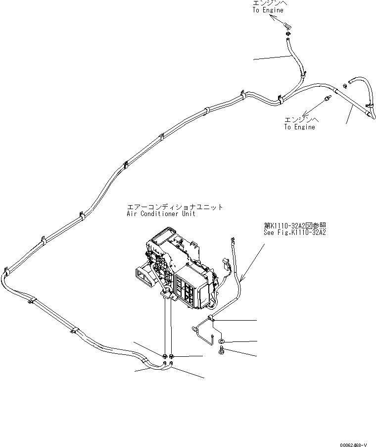
Запчасти Komatsu PC600LC-8R ОСНОВН. КОНСТРУКЦИЯ (КАБИНА) (ШЛАНГИ ОБОГРЕВАТЕЛЯ И КРЕПЛЕНИЕ) (С КОНДИЦИОНЕРОМ) КАБИНА ОПЕРАТОРА И СИСТЕМА УПРАВЛЕНИЯ

Схема запчастей Komatsu PC600LC-8R - ОСНОВН. КОНСТРУКЦИЯ (КАБИНА) (ШЛАНГИ ОБОГРЕВАТЕЛЯ И КРЕПЛЕНИЕ) (С КОНДИЦИОНЕРОМ) КАБИНА ОПЕРАТОРА И СИСТЕМА УПРАВЛЕНИЯ
1
1
2
3
3
4
5
6
7
FIT
1:1
100%

Артикул

Название

Примечание

Количество

1

21M-979-2171

HOSE ASS'Y

2

09479-02400

CLAMP

3

21M-979-2181

HOSE ASS'Y

4

09479-02400

CLAMP

5

04434-51810

CLIP

6

01010-81020

BOLT

7

01643-31032

WASHER

Выбрано товаров: 7