Запчасти Komatsu PC600LC-8R РАБОЧЕЕ ОБОРУДОВАНИЕ (СМАЗКА) (СТРЕЛА) (/) (ДЛЯ ПОГРУЗ.) РАБОЧЕЕ ОБОРУДОВАНИЕ

Схема запчастей Komatsu PC600LC-8R - РАБОЧЕЕ ОБОРУДОВАНИЕ (СМАЗКА) (СТРЕЛА) (/) (ДЛЯ ПОГРУЗ.) РАБОЧЕЕ ОБОРУДОВАНИЕ
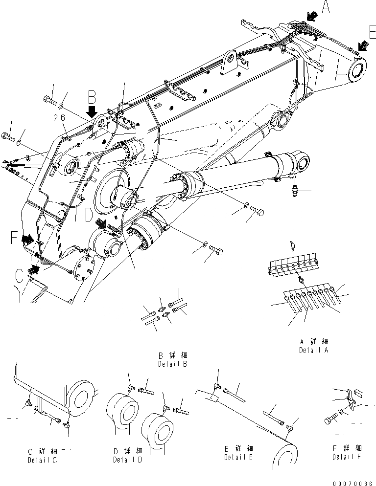
1
1
2
2
3
3
4
4
5
5
6
7
7
8
8
9
9
10
10
11
11
12
13
14
14
15
16
16
17
18
18
19
20
20
20
21
22
22
23
24
24
24
25
26
26
27
28
FIT
1:1
100%

Артикул

Название

Примечание

Количество

1

21M-72-11170

TUBE

2

04434-51012

CLIP

3

01010-81220

BOLT

4

01643-31232

WASHER

5

208-70-62190

HOSE

6

205-70-51380

ELBOW

7

21M-72-11250

TUBE

8

04434-51012

CLIP

9

01010-81220

BOLT

10

01643-31232

WASHER

11

208-70-62190

HOSE

12

205-70-51380

ELBOW

13

07020-00000

FITTING

14

21M-72-21230

TUBE

15

07217-51013

ELBOW

16

21M-72-11140

TUBE

17

07217-51013

ELBOW

18

21M-72-11190

TUBE

19

21N-70-35230

NIPPLE

20

21M-72-11651

TUBE

21

07217-51013

ELBOW

22

21M-72-11210

TUBE

23

21N-70-35230

NIPPLE

24

21M-72-11661

TUBE

25

07217-51013

ELBOW

26

208-70-11450

CLIP

27

01010-80612

BOLT

28

01602-20619

WASHER

Выбрано товаров: 28