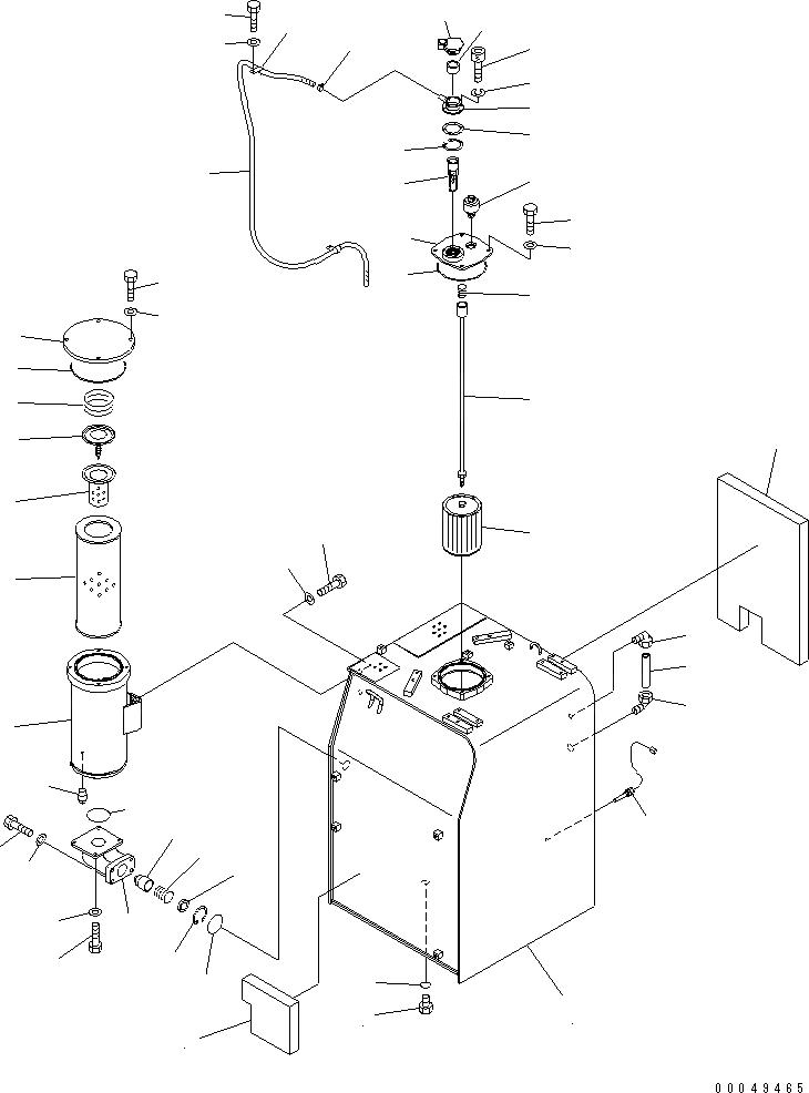
Запчасти Komatsu PC600LC-8R ГИДР. БАК. (БАК И ФИЛЬТР.) ГИДРАВЛИКА

Схема запчастей Komatsu PC600LC-8R - ГИДР. БАК. (БАК И ФИЛЬТР.) ГИДРАВЛИКА
1
2
2
3
4
5
6
7
8
9
10
11
12
13
14
15
16
17
18
19
20
21
22
23
24
25
26
27
28
29
30
31
32
33
34
35
36
37
38
39
40
41
42
43
44
45
46
47
48
49
50
51
52
FIT
1:1
100%

Артикул

Название

Примечание

Количество

1

21M-60-21113

TANK

2

203-60-31100

ELBOW ASS'Y

3

203-60-31160

TUBE

4

07040-12412

PLUG

5

07002-12434

O-RING

6

21M-60-21291

SHEET

7

21M-60-21280

SHEET

8

21M-60-21120

COVER

9

07000-15180

O-RING

10

01010-81225

BOLT

11

01643-31232

WASHER

12

198-60-55510

BREATHER

|$22

21M-60-21190

STRAINER ASS'Y

13

21M-60-11150

ROD ASS'Y

14

12R-60-11230

SPRING

15

21M-60-21140

STRAINER

16

17A-60-11310

CAP ASS'Y

17

20Y-60-21470

ELEMENT

18

208-60-71180

FILLER NECK

19

20Y-60-21340

GASKET

20

01252-70516

BOLT

21

01601-20513

WASHER

22

07056-10045

STRAINER

23

04065-04718

RING

24

07270-61421

TUBE

25

07285-00155

CLIP

26

04434-51812

CLIP

27

01010-81225

BOLT

28

01643-31232

WASHER

29

7861-93-3320

SENSOR

30

21M-60-11240

CASE

31

21M-60-21220

COVER

32

07000-15180

O-RING

33

01010-81235

BOLT

34

01643-31232

WASHER

35

07069-34057

SPRING

36

20Y-60-31131

VALVE ASS'Y

37

20Y-60-31140

STRAINER

38

209-60-77532

ELEMENT

38

209-60-77531

ELEMENT

39

21N-60-31240

POPPET

40

706-76-71190

SPRING

41

04065-05020

RING

42

21M-60-21160

SPACER

43

07042-30211

PLUG

44

21M-60-21130

BRACKET

45

01010-81025

BOLT

46

01643-31032

WASHER

47

07000-12095

O-RING

48

01010-81230

BOLT

49

175-54-34170

WASHER

50

07000-12060

O-RING

51

01010-81245

BOLT

52

01643-31232

WASHER

Выбрано товаров: 54