Качественные детали и логистика
Оригинальные и аналоговые запчасти с доставкой по России, Казахстану и Беларуси
©2022 PartSell ООО "Система" ИНН 2463123282 ОГРН 1212400004838
Центральный офис: г. Красноярск, Академика Киренского, д.87, пом.4
Телефон: 8 (800) 777-65-74 Email: zakaz@partsell.ru
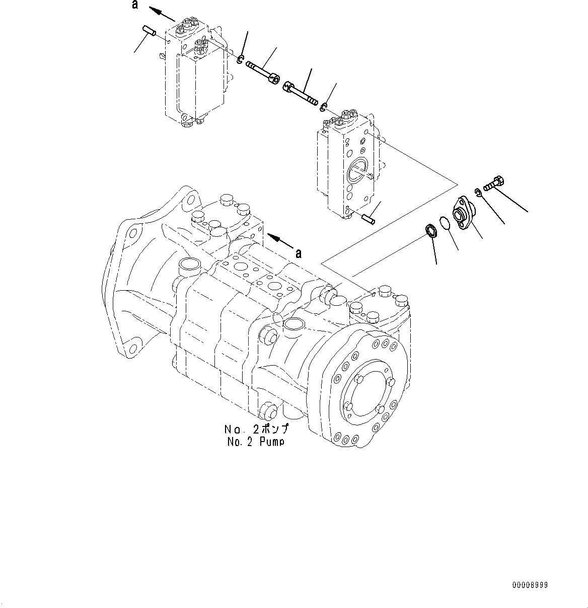
ПОРШЕНЬ НАСОС, ВНУТР. ЧАСТИ, NO. НАСОС (9/9) (№7-)
№
Артикул
Название
Примечание
Количество
|$0
708-2L-90722
Pump Assembly
1
708-25-19130
Bolt
2
01602-20825
Washer
3
04020-00616
Pin, Dowel
4
708-25-19120
Flange
5
07000-B2021
O-ring
6
720-68-15240
Filter
7
01010-80820
8
Выбрано товаров: 0