Запчасти Komatsu PC600LC-8R1 НАВЕСН. ОБОРУД ТРУБЫ, КОМПОНЕНТЫ (№7-) НАВЕСН. ОБОРУД ТРУБЫ, ДЛЯ ПРЯМАЯ ЛОПАТА CONFIGURATION

Схема запчастей Komatsu PC600LC-8R1 - НАВЕСН. ОБОРУД ТРУБЫ, КОМПОНЕНТЫ (№7-) НАВЕСН. ОБОРУД ТРУБЫ, ДЛЯ ПРЯМАЯ ЛОПАТА CONFIGURATION
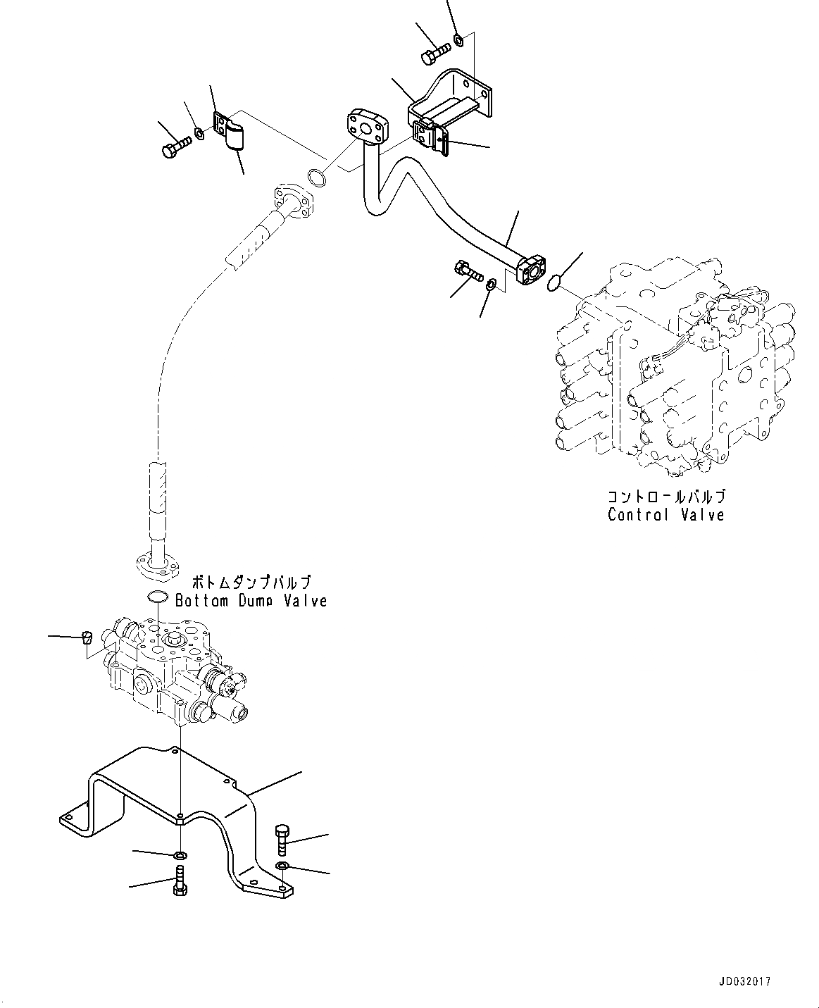
2
3
4
5
6
7
8
9
10
11
13
14
15
16
17
18
12
1
FIT
1:1
100%

Артикул

Название

Примечание

Количество

1

07049-01620

Plug

2

01010-81285

Bolt

3

01643-31232

Washer

4

21M-970-1690

Bracket

5

01010-81235

Bolt

6

01643-31232

Washer

7

21M-970-1750

Tube

8

07372-21040

Bolt

9

01643-51032

Washer

10

07000-B3035

O-ring

11

21M-970-2150

Bracket

12

205-62-73430

Seat

13

01010-81240

Bolt

14

01643-31232

Washer

15

207-62-52430

Clamp

16

205-62-73430

Seat

17

01010-81230

Bolt

18

20Y-62-13450

Plate

Выбрано товаров: 18