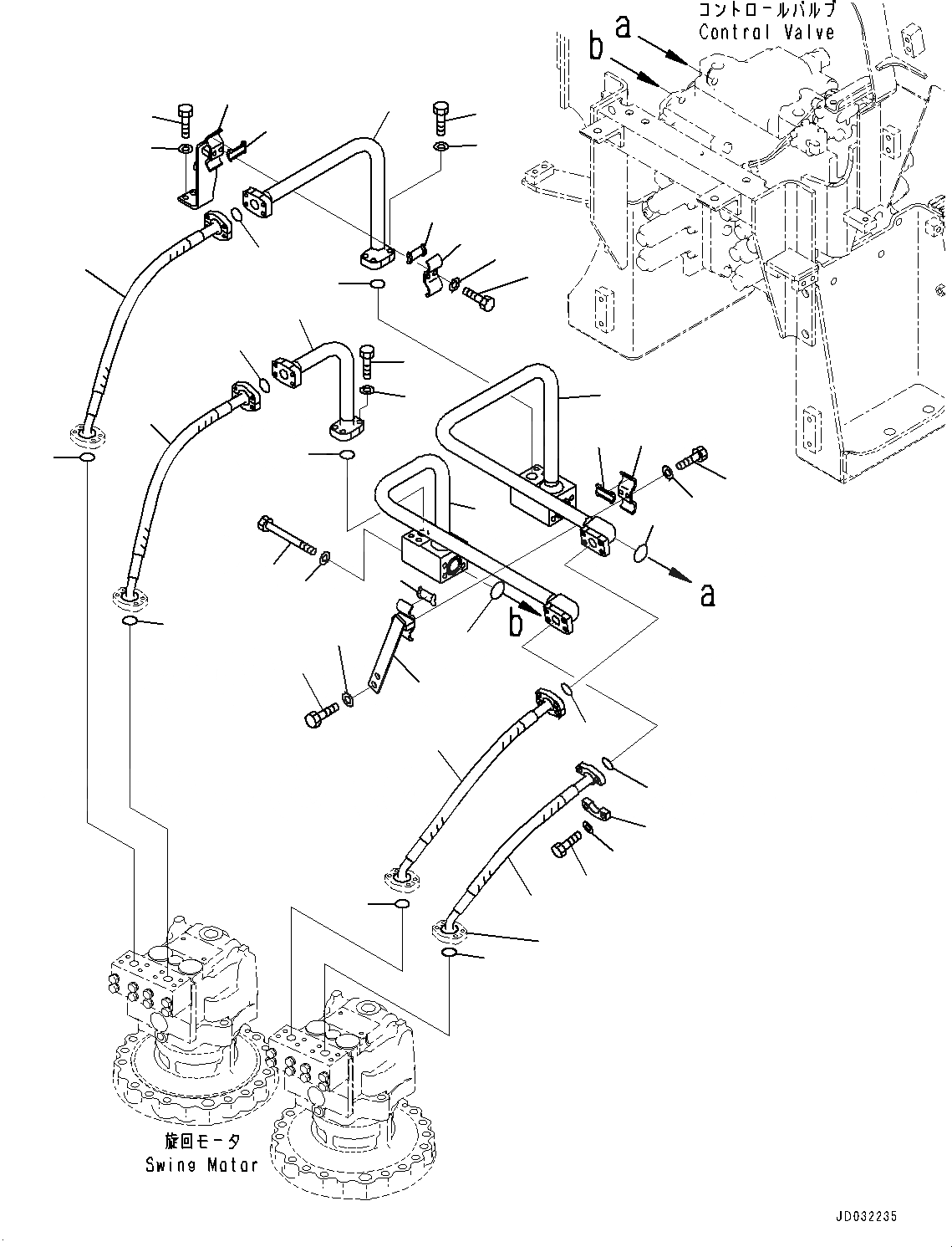
Запчасти Komatsu PC600LC-8R1 ПОВОРОТН. ТРУБЫ (№7-) ПОВОРОТН. ТРУБЫ

Схема запчастей Komatsu PC600LC-8R1 - ПОВОРОТН. ТРУБЫ (№7-) ПОВОРОТН. ТРУБЫ
3
9
31
31
33
35
31
31
33
7
20
28
29
26
27
21
35
34
38
36
37
32
2
1
8
10
5
15
6
13
12
14
18
4
19
30
30
11
3
22
23
24
25
17
16
39
FIT
1:1
100%

Артикул

Название

Примечание

Количество

1

207-62-32720

Bolt

2

01643-51032

Washer

3

07000-B3035

O-ring

4

21M-62-11461

Tube

5

07372-21035

Bolt

6

01643-51032

Washer

7

07000-B3030

O-ring

8

21M-62-11471

Tube

9

07372-21035

Bolt

10

01643-51032

Washer

11

07000-B3030

O-ring

12

21M-62-34840

Bracket

13

20Y-62-13760

Seat

14

20Y-62-13230

Clamp

15

20Y-62-13760

Seat

16

01010-81235

Bolt

17

01643-31232

Washer

18

01010-81230

Bolt

19

01643-31232

Washer

20

21M-62-14821

Tube

21

21M-62-14831

Tube

22

21M-62-31760

Bracket

23

20Y-62-13760

Seat

24

01010-81230

Bolt

25

01643-31232

Washer

26

20Y-62-13230

Clamp

27

20Y-62-13760

Seat

28

01010-81230

Bolt

29

01643-31232

Washer

30

07097-00608

Hose, Flange Type

31

07000-13025

O-ring

32

07097-00607

Hose, Flange Type

33

07000-13025

O-ring

34

21M-62-11520

Hose

35

07000-13025

O-ring

36

07371-30640

Flange, Split

37

07372-21035

Bolt

38

01643-51032

Washer

39

07371-30640

Flange, Split

Выбрано товаров: 39