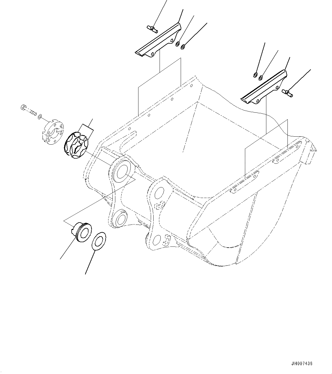
Запчасти Komatsu PC600LC-8R1 КОВШ, КОЖУХ И SHIM (№7-) КОВШ, .M, 7MM ШИР., WEAR ПЛАСТИНА, KMAX TOOTH, THRUST ADJUSTMENT, БОКОРЕЗЫ

Схема запчастей Komatsu PC600LC-8R1 - КОВШ, КОЖУХ И SHIM (№7-) КОВШ, .M, 7MM ШИР., WEAR ПЛАСТИНА, KMAX TOOTH, THRUST ADJUSTMENT, БОКОРЕЗЫ
7
3
4
4
3
1
2
1
2
5
6
FIT
1:1
100%

Артикул

Название

Примечание

Количество

1

427-70-13611

Guard

2

21N-939-3330

Pin

3

209-939-7110

Shim, T=1.0mm

4

209-939-7120

Shim, T=0.5mm

5

209-70-54160

Bushing

6

209-70-00082

Shim Assembly

6

Shim, T=1.0mm

6

Shim, T=0.5mm

7

209-72-11220

Shim, T=1.0mm

Выбрано товаров: 9