Запчасти Komatsu PC60L-5 ПАНЕЛЬ ПРИБОРОВ (/) (РАДИО-LESS) (БЕЗ ПОВОРОТН. МЕХАНИЧ.ТОРМОЗ.) (КРОМЕ ЯПОН.) КОМПОНЕНТЫ ДВИГАТЕЛЯ И ЭЛЕКТРИКА

Схема запчастей Komatsu PC60L-5 - ПАНЕЛЬ ПРИБОРОВ (/) (РАДИО-LESS) (БЕЗ ПОВОРОТН. МЕХАНИЧ.  ТОРМОЗ.) (КРОМЕ ЯПОН.) КОМПОНЕНТЫ ДВИГАТЕЛЯ И ЭЛЕКТРИКА
FIT
1:1
100%

Артикул

Название

Примечание

Количество

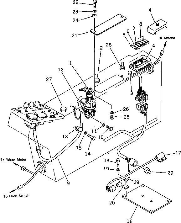
1

201-06-21510

SWITCH,STARTING

2

09415-01610

CAP

3

09415-00706

CAP

4

203-06-41540

BOX,FUSE

5

08040-04000

FUSE¤ 40A

6

08040-03000

FUSE¤ 30A

7

08040-02000

FUSE¤ 20A

8

08040-01000

FUSE¤ 10A

9

20X-06-21213

WIRE ASS'Y

10

01010-50612

BOLT

11

01643-30623

WASHER

12

08034-00519

BAND

13

08036-01814

CLIP

14

01010-51016

BOLT

15

01643-31032

WASHER

16

20X-06-21320

PLATE

17

20X-06-21310

DIODE

18

01010-50816

BOLT

19

01643-30823

WASHER

20

08036-01814

CLIP

21

203-06-31160

PLATE

22

205-06-62170

BOLT

23

205-06-62180

WASHER

24

205-06-62190

WASHER

25

01580-10403

NUT

26

145-Z79-6630

WASHER

27

09415-01610

CAP

28

09415-00706

CAP

29

201-06-51130

WIRE

Выбрано товаров: 29