Запчасти Komatsu PC60L-5 ПАНЕЛЬ ПРИБОРОВ (/) (АВТОМ. ЗАМЕДЛЕНИЕ ОБОРОТОВ) (С MODESELECTOR OLSS) (КРОМЕ ЯПОН.) КОМПОНЕНТЫ ДВИГАТЕЛЯ И ЭЛЕКТРИКА

Схема запчастей Komatsu PC60L-5 - ПАНЕЛЬ ПРИБОРОВ (/) (АВТОМ. ЗАМЕДЛЕНИЕ ОБОРОТОВ) (С MODE    SELECTOR OLSS) (КРОМЕ ЯПОН.) КОМПОНЕНТЫ ДВИГАТЕЛЯ И ЭЛЕКТРИКА
FIT
1:1
100%

Артикул

Название

Примечание

Количество

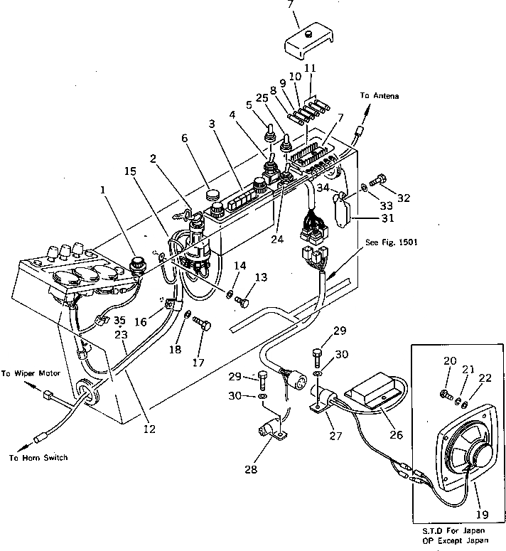
1

203-06-41810

LAMP,PARKING BRAKE

2

201-06-21510

SWITCH,STARTING

3

20G-06-15110

RADIO

4

203-06-41570

SWITCH,PARKING BRAKE

5

203-06-41680

CAP,RED

6

09415-01610

CAP

7

203-06-41540

BOX,FUSE

8

08040-04000

FUSE¤ 40A

9

08040-03000

FUSE¤ 30A

10

08040-02000

FUSE¤ 20A

11

08040-01000

FUSE¤ 10A

12

20X-06-21213

WIRE ASS'Y

13

01010-50612

BOLT

14

01643-30623

WASHER

15

08034-00519

BAND

16

08036-01814

CLIP

17

01010-51016

BOLT

18

01643-31032

WASHER

19

20G-06-15120

SPEAKER

20

01220-40420

SCREW

21

01601-20410

WASHER,SPRING

22

01641-20405

WASHER

23

20X-06-22130

WIRE ASS'Y

24

203-06-41860

SWITCH,AUTO DECELERATION

25

203-06-41610

CAP,BLACK

26

21K-06-21150

BOX

27

08036-03014

CLIP

28

08036-01814

CLIP

29

01010-50816

BOLT

30

01643-30823

WASHER

31

203-06-41790

RESISTOR

32

01010-50816

BOLT

33

01643-30823

WASHER

34

08036-01814

CLIP

35

20X-06-22110

WIRE ASS'Y

Выбрано товаров: 35