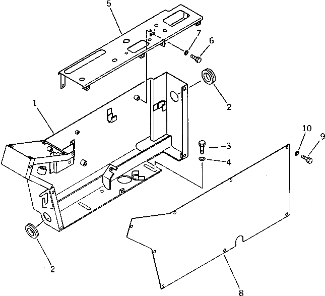
Запчасти Komatsu PC60L-5 ПАНЕЛЬ ПРИБОРОВ (/) (АВТОМ. ЗАМЕДЛЕНИЕ ОБОРОТОВ) (С MODESELECTOR OLSS) (КРОМЕ ЯПОН.) КОМПОНЕНТЫ ДВИГАТЕЛЯ И ЭЛЕКТРИКА

Схема запчастей Komatsu PC60L-5 - ПАНЕЛЬ ПРИБОРОВ (/) (АВТОМ. ЗАМЕДЛЕНИЕ ОБОРОТОВ) (С MODE    SELECTOR OLSS) (КРОМЕ ЯПОН.) КОМПОНЕНТЫ ДВИГАТЕЛЯ И ЭЛЕКТРИКА
FIT
1:1
100%

Артикул

Название

Примечание

Количество

1

20X-54-23150

BOX

2

08037-03614

GROMMET

3

01010-51025

BOLT

4

01643-31032

WASHER

5

203-54-41481

PANEL

6

01010-50816

BOLT

7

01643-30823

WASHER

8

21K-54-25190

COVER

9

01010-50816

BOLT

10

01643-30823

WASHER

Выбрано товаров: 10