Запчасти Komatsu PC60L-5 ГИДР. НАСОС.¤ END КРЫШКА (КРОМЕ ЯПОН.) ГИДРАВЛИКА

Схема запчастей Komatsu PC60L-5 - ГИДР. НАСОС.¤ END КРЫШКА (КРОМЕ ЯПОН.) ГИДРАВЛИКА
FIT
1:1
100%

Артикул

Название

Примечание

Количество

|$0

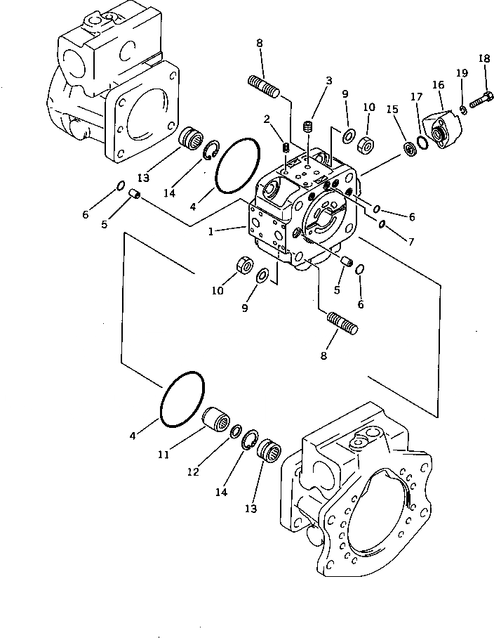
708-21-01032

PUMP ASS'Y,(HPV 35+35)

|$1

708-21-01031

PUMP ASS'Y,(HPV 35+35)

|$2

708-21-01030

PUMP ASS'Y,(HPV 35+35)

|$3

708-21-10401

PUMP ASS'Y,(HPV 35+35)

|$5

708-21-01240

PUMP SUB ASS'Y

|$6

708-21-11400

PUMP SUB ASS'Y

|$8

708-21-00050

END CAP ASS'Y

1

CAP,END

2

PLUG

3

PLUG

4

07000-02095

O-RING

5

708-21-12330

JOINT

6

07000-12012

O-RING

7

07000-12010

O-RING

8

01140-81440

STUD

9

01643-31445

WASHER

10

01582-01411

NUT

11

708-21-12730

COUPLING

12

708-21-12742

RING

13

708-21-12760

BEARING

14

04065-03212

RING,SNAP

15

720-68-15240

FILTER

16

708-23-12520

FLANGE

17

07000-02021

O-RING

18

01010-30840

BOLT

19

01602-00825

WASHER,SPRING

Выбрано товаров: 0