Запчасти Komatsu PC60L-6 ЭЛЕКТРИКА (ЛИНИЯ ПАНЕЛИ ПРИБОРОВ) (/) (ДЛЯ WRISTУПРАВЛ-Е) КОМПОНЕНТЫ ДВИГАТЕЛЯ И ЭЛЕКТРИКА

Схема запчастей Komatsu PC60L-6 - ЭЛЕКТРИКА (ЛИНИЯ ПАНЕЛИ ПРИБОРОВ) (/) (ДЛЯ WRIST    УПРАВЛ-Е) КОМПОНЕНТЫ ДВИГАТЕЛЯ И ЭЛЕКТРИКА
FIT
1:1
100%

Артикул

Название

Примечание

Количество

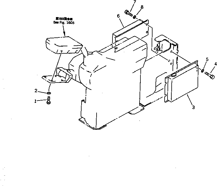
1

01220-70620

SCREW

2

01642-40608

WASHER

3

7824-22-3001

BOX,CONTROL

3

7824-22-3000

BOX,CONTROL

4

01010-51020

BOLT

5

01643-31032

WASHER

6

7824-32-1100

CONTROL BOX ASS'Y

7

01010-51020

BOLT

8

01643-31032

WASHER

Выбрано товаров: 0