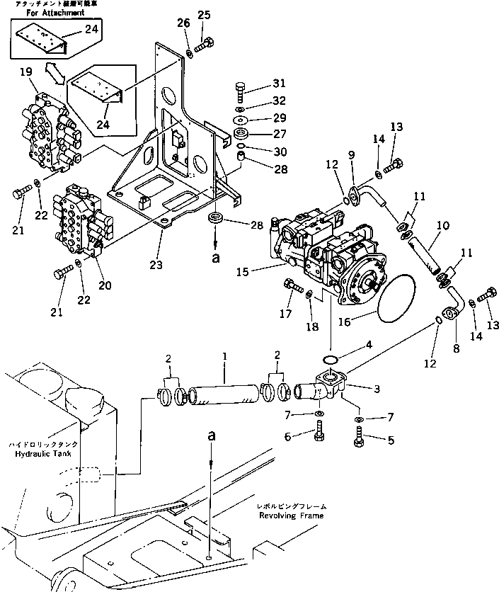
Запчасти Komatsu PC60L-6 ГИДРОЛИНИЯ (ВСАСЫВАЮЩАЯ ЛИНИЯAND КЛАПАН) УПРАВЛ-Е РАБОЧИМ ОБОРУДОВАНИЕМ

Схема запчастей Komatsu PC60L-6 - ГИДРОЛИНИЯ (ВСАСЫВАЮЩАЯ ЛИНИЯAND КЛАПАН) УПРАВЛ-Е РАБОЧИМ ОБОРУДОВАНИЕМ
FIT
1:1
100%

Артикул

Название

Примечание

Количество

1

07260-25825

HOSE

2

07281-00809

CLAMP

3

201-62-65440

ELBOW

4

07000-02060

O-RING

5

01010-51075

BOLT

6

01010-51090

BOLT

7

01643-31032

WASHER

8

201-62-65450

TUBE

9

201-62-65460

TUBE

10

07260-02616

HOSE

11

07281-00419

CLAMP

12

07000-03028

O-RING

13

01010-51030

BOLT

14

01643-31032

WASHER

15

708-21-04033

PUMP ASS'Y,(SEE FIG.6101)

|15

708-21-04032

PUMP ASS'Y,(SEE FIG.6101)

|15

708-21-04031

PUMP ASS'Y,(SEE FIG.6101)

16

07000-05195

O-RING

17

01010-51240

BOLT

18

01643-31232

WASHER

19

709-26-13104

VALVE ASS'Y,L.H. (SEE FIG 6201)

|19

709-26-13103

VALVE ASS'Y,L.H. (SEE FIG 6201)

|19

709-26-13102

VALVE ASS'Y,L.H. (SEE FIG 6201)

|19

709-26-13101

VALVE ASS'Y,L.H. (SEE FIG.6201)

20

709-25-13104

VALVE ASS'Y,R.H. (SEE FIG.6211)

|20

709-25-13103

VALVE ASS'Y,R.H. (SEE FIG.6211)

|20

709-25-13102

VALVE ASS'Y,R.H. (SEE FIG.6211)

|20

709-25-13101

VALVE ASS'Y,R.H. (SEE FIG.6211)

21

01010-51055

BOLT

22

01643-31032

WASHER

23

201-62-65750

BRACKET

|23

201-62-65330

BRACKET

24

201-62-65640

BRACKET

|24

201-973-6320

BRACKET,(FOR ATTACHMENT)

25

01010-51025

BOLT

26

01643-31032

WASHER

27

203-62-42770

CUSHION

28

20X-62-21550

SPACER

29

566-35-42430

PLATE

30

07000-03025

O-RING

31

01010-51250

BOLT

32

01643-31232

WASHER

Выбрано товаров: 42