Запчасти Komatsu PC60U-3 MACHINERY ОБСТАНОВКА (/) ОСНОВНАЯ РАМА И КАБИНА

Схема запчастей Komatsu PC60U-3 - MACHINERY ОБСТАНОВКА (/) ОСНОВНАЯ РАМА И КАБИНА
FIT
1:1
100%

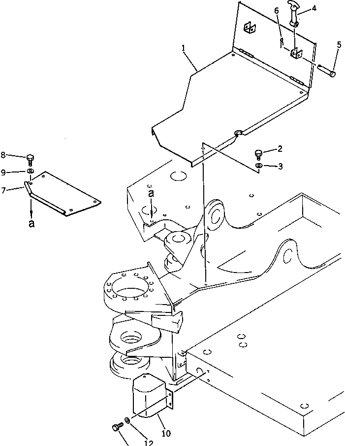
Артикул

Название

Примечание

Количество

1

201-54-28110

COVER

2

01010-31025

BOLT

3

01643-31032

WASHER

4

09450-00000

CATCH

5

09450-00002

PIN

6

04050-11610

PIN,COTTER

7

201-54-28130

COVER

8

01010-31025

BOLT

9

01643-31032

WASHER

10

201-54-28410

COVER

11

01010-31030

BOLT

12

01643-31032

WASHER

Выбрано товаров: 12