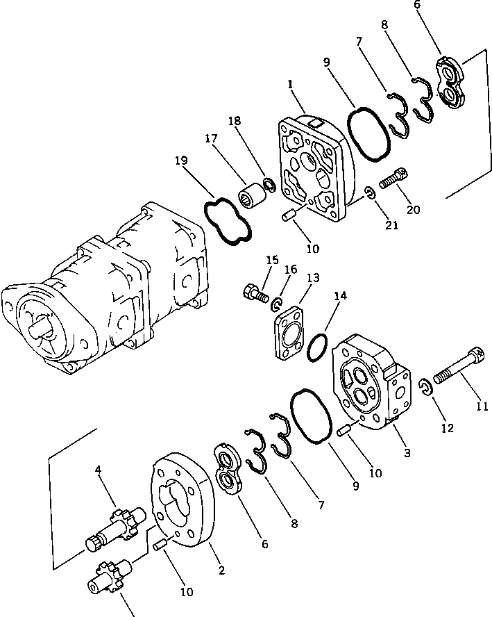
Запчасти Komatsu PC60U-3 ГИДР. НАСОС. (/) УПРАВЛ-Е РАБОЧИМ ОБОРУДОВАНИЕМ

Схема запчастей Komatsu PC60U-3 - ГИДР. НАСОС. (/) УПРАВЛ-Е РАБОЧИМ ОБОРУДОВАНИЕМ
FIT
1:1
100%

Артикул

Название

Примечание

Количество

|$0

705-56-24080

PUMP ASS'Y

|$1

705-14-28530

PUMP ASS'Y (SAR25)

1

BRACKET

2

CASE,GEAR

3

COVER ASS'Y,COVER

4

GEAR,DRIVE

5

GEAR,DRIVEN

6

PLATE,SIDE

7

RING,BACK-UP

8

RING,SEAL

9

O-RING

10

PIN,DOWEL

11

BOLT

12

WASHER,SPRING

13

705-17-02881

PLATE

14

07000-03038

O-RING

15

01010-51025

BOLT

16

01602-21030

WASHER,SPRING

17

705-17-02310

COUPLING

18

04065-02012

RING,SNAP

19

705-17-02480

O-RING

20

705-17-02374

BOLT

21

01602-21030

WASHER,SPRING

Выбрано товаров: 23