Запчасти Komatsu PC60U-3 ГРЕЙФЕРН. ЦИЛИНДР (ПОГРУЗ.ING ТИП) РАБОЧЕЕ ОБОРУДОВАНИЕ

Схема запчастей Komatsu PC60U-3 - ГРЕЙФЕРН. ЦИЛИНДР (ПОГРУЗ.ING ТИП) РАБОЧЕЕ ОБОРУДОВАНИЕ
FIT
1:1
100%

Артикул

Название

Примечание

Количество

|1

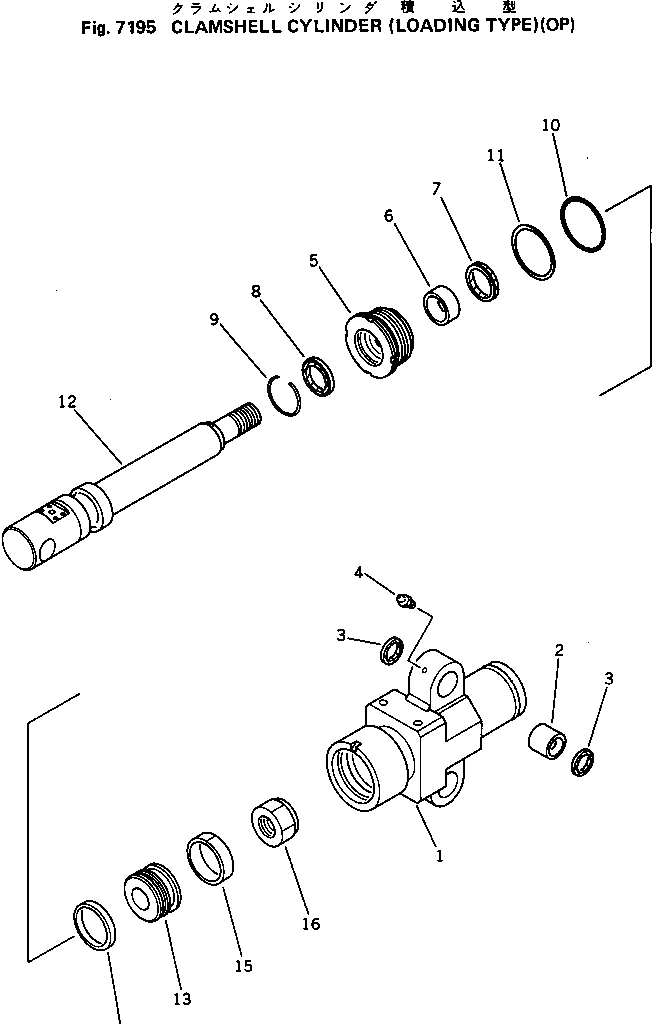
201-63-96101

CYLINDER ASS'Y

1

201-63-96140

CYLINDER

2

07144-10505

BUSHING

3

07145-00050

SEAL,DUST

4

07020-00000

FITTING,GREASE

5

707-29-11150

HEAD,CYLINDER

6

07177-07030

BUSHING

7

707-51-70211

PACKING,ROD

8

144-63-95170

SEAL,DUST

9

07179-00093

RING,SNAP

10

07000-12115

O-RING

11

20D-63-32290

RING,BACK-UP

12

201-63-96121

ROD,PISTON

13

707-36-11380

PISTON

14

707-44-11080

RING,PISTON

15

07155-01125

RING,WEAR

16

07165-15252

NUT,NYLON

Выбрано товаров: 17