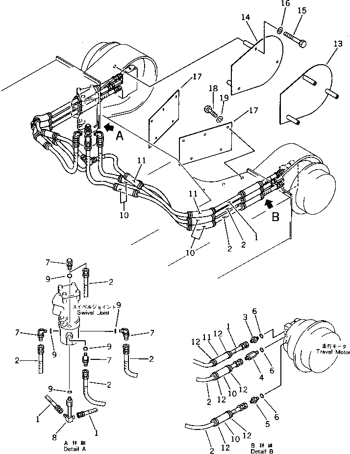
/ / / / / / ГИДРОЛИНИЯ (ПОВОРОТНОЕ СОЕДИНЕНИЕ TO/FROM МОТОР ХОДА)
Запчасти Komatsu PC60U-5 ГИДРОЛИНИЯ (ПОВОРОТНОЕ СОЕДИНЕНИЕ TO/FROM МОТОР ХОДА) ГИДРАВЛИКА
1
07102-20315
HOSE
2
07096-00416
HOSE
3
07230-10315
UNION
4
201-62-52110
NIPPLE
5
07230-10422
UNION
6
07002-02034
O-RING
7
07235-10422
ELBOW
8
203-62-41141
ELBOW
9
07002-02034
O-RING
10
203-62-41150
COVER
11
203-62-41160
COVER
12
08034-00519
BAND
13
201-62-52210
COVER,L.H.
14
201-62-52220
COVER,R.H.
15
01011-51010
BOLT
16
01643-31032
WASHER
17
201-62-52230
COVER
18
01010-51025
BOLT
19
01602-21030
WASHER,SPRING
Выбрано товаров: 0