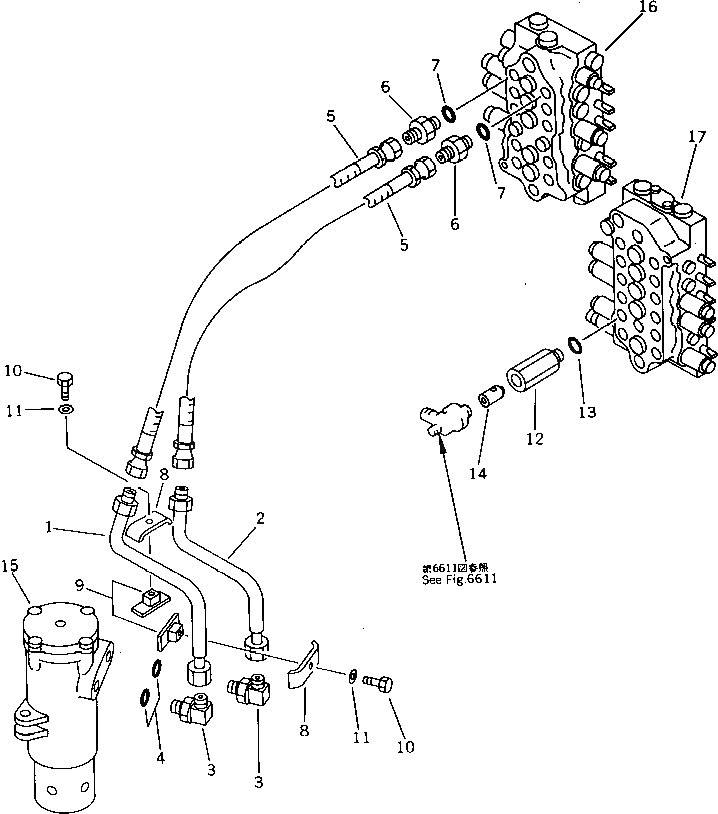
Запчасти Komatsu PC60U-5 ОТВАЛ ТРУБЫ (/) (ДЛЯ ПЕРЕДН. ОТВАЛ) ОПЦИОННЫЕ КОМПОНЕНТЫ

Схема запчастей Komatsu PC60U-5 - ОТВАЛ ТРУБЫ (/) (ДЛЯ ПЕРЕДН. ОТВАЛ) ОПЦИОННЫЕ КОМПОНЕНТЫ
FIT
1:1
100%

Артикул

Название

Примечание

Количество

1

201-910-5410

TUBE

2

201-910-5420

TUBE

3

07235-10422

ELBOW

4

07002-12034

O-RING

5

07086-00408

HOSE

6

201-910-5850

NIPPLE

7

07002-12034

O-RING

8

201-62-21880

CLAMP

9

201-62-28280

CLAMP

10

01010-51025

BOLT

11

01643-31032

WASHER

12

203-62-42710

BODY

13

07002-12034

O-RING

14

203-62-42720

VALVE

15

703-08-12121

SWIVEL JOINT ASS'Y

16

709-26-11500

VALVE ASS'Y,L.H.

17

709-26-11201

VALVE ASS'Y,R.H.

Выбрано товаров: 17