Запчасти Komatsu PC60U-5 ПАНЕЛЬ ПРИБОРОВ (/) (С ВЫБОРОМ РЕЖИМА OLSS)(№9-) КОМПОНЕНТЫ ДВИГАТЕЛЯ И ЭЛЕКТРИКА

Схема запчастей Komatsu PC60U-5 - ПАНЕЛЬ ПРИБОРОВ (/) (С ВЫБОРОМ РЕЖИМА OLSS)(№9-) КОМПОНЕНТЫ ДВИГАТЕЛЯ И ЭЛЕКТРИКА
FIT
1:1
100%

Артикул

Название

Примечание

Количество

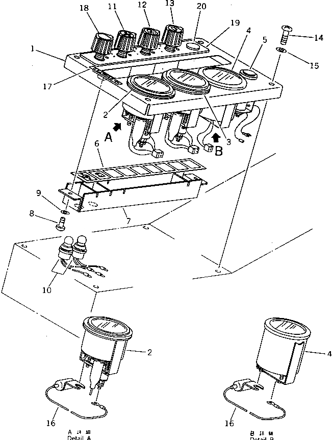
1

205-06-78130

PANEL

2

20X-06-22180

GAUGE,WATER TEMPERATURE

3

20X-06-22220

GAUGE,FUEL LEVEL

3

205-06-51290

CONDENSER

4

08687-32401

METER,SERVICE

5

600-815-3730

SIGNAL,HEATER

6

205-06-78170

PLATE

7

20X-06-21270

BRACKET

8

01220-40406

SCREW

9

01641-20405

WASHER

10

21T-06-16620

LAMP ASS'Y

11

205-06-71321

SWITCH,HEATER

12

205-06-71331

SWITCH,LAMP

13

205-06-71341

SWITCH,WIPER

14

205-06-78190

SCREW

15

205-06-78210

WASHER

16

205-06-51290

CONDENSER

17

205-00-78120

MARK

18

205-06-71311

SWITCH,MODE

19

20X-00-21130

PLATE

20

09415-00506

CAP

Выбрано товаров: 21