Запчасти Komatsu PC60U-5 ПАНЕЛЬ ПРИБОРОВ (/) (С ВЫБОРОМ РЕЖИМА OLSS) КОМПОНЕНТЫ ДВИГАТЕЛЯ И ЭЛЕКТРИКА

Схема запчастей Komatsu PC60U-5 - ПАНЕЛЬ ПРИБОРОВ (/) (С ВЫБОРОМ РЕЖИМА OLSS) КОМПОНЕНТЫ ДВИГАТЕЛЯ И ЭЛЕКТРИКА
FIT
1:1
100%

Артикул

Название

Примечание

Количество

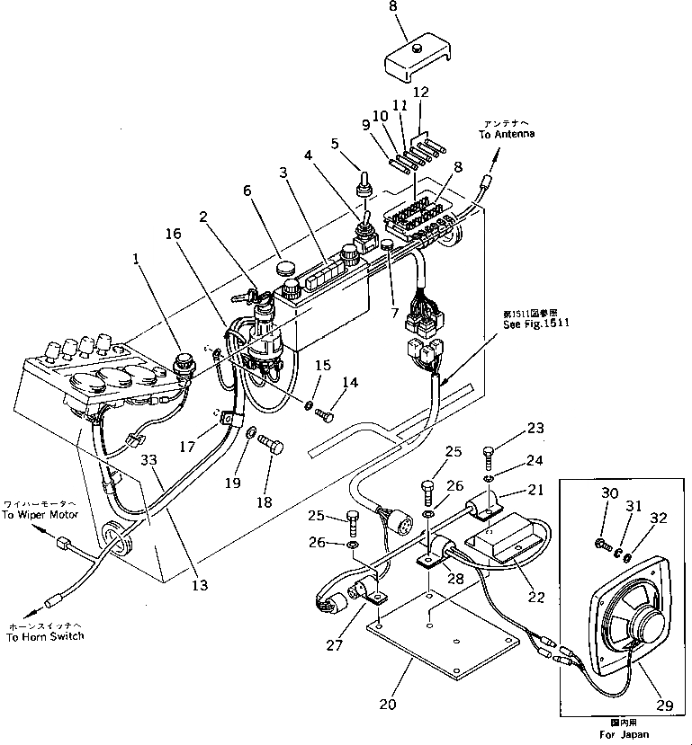
1

203-06-41810

LAMP,PARKING BRAKE

2

201-06-21510

SWITCH,STARTING

3

20G-06-15110

RADIO,(FOR JAPAN)

4

203-06-41570

SWITCH,PARKING BRAKE

5

203-06-41680

CAP,RED

6

09415-01610

CAP

7

09415-00706

CAP,(FOR MODE SELECTOR)

8

203-06-41540

BOX,FUSE

9

08040-04000

FUSE, 40A

10

08040-03000

FUSE, 30A

11

08040-02000

FUSE, 20A

12

08040-01000

FUSE, 10A

13

20X-06-21213

WIRE ASS'Y

14

01010-50612

BOLT

15

01643-30623

WASHER

16

08034-00519

BAND

17

08036-01814

CLIP

18

01010-51016

BOLT

19

01643-31032

WASHER

20

20X-06-21320

PLATE

21

20X-06-21310

DIODE

22

20G-06-15131

TIMER

23

01010-50612

BOLT

24

01602-20619

WASHER,SPRING

25

01010-50816

BOLT

26

01643-30823

WASHER

27

08036-01814

CLIP

28

08036-02514

CLIP

29

20G-06-15120

SPEAKER,(FOR JAPAN)

30

01220-40420

SCREW,(FOR JAPAN)

31

01601-20410

WASHER,SPRING (FOR JAPAN)

32

01641-20405

WASHER,(FOR JAPAN)

33

20X-06-22110

WIRE ASS'Y

Выбрано товаров: 33