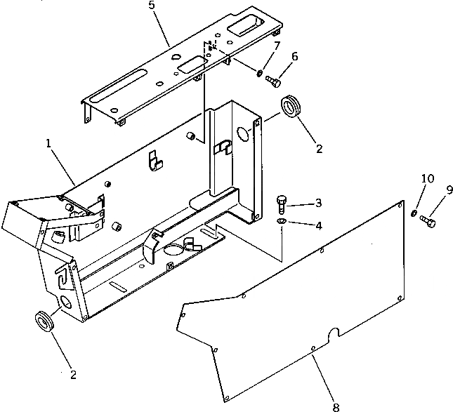
Запчасти Komatsu PC60U-5 ПАНЕЛЬ ПРИБОРОВ (/) (С ВЫБОРОМ РЕЖИМА OLSS) КОМПОНЕНТЫ ДВИГАТЕЛЯ И ЭЛЕКТРИКА

Схема запчастей Komatsu PC60U-5 - ПАНЕЛЬ ПРИБОРОВ (/) (С ВЫБОРОМ РЕЖИМА OLSS) КОМПОНЕНТЫ ДВИГАТЕЛЯ И ЭЛЕКТРИКА
FIT
1:1
100%

Артикул

Название

Примечание

Количество

1

20X-54-23122

BOX

2

08037-03614

GROMMET

3

01010-51025

BOLT

4

01643-31032

WASHER

5

203-54-41481

PANEL

6

01010-50816

BOLT

7

01643-30823

WASHER

8

21K-54-25190

COVER

9

01010-50816

BOLT

10

01643-30823

WASHER

Выбрано товаров: 10