Запчасти Komatsu PC60U-5 ЭЛЕКТРИКА КОМПОНЕНТЫ ДВИГАТЕЛЯ И ЭЛЕКТРИКА

Схема запчастей Komatsu PC60U-5 - ЭЛЕКТРИКА КОМПОНЕНТЫ ДВИГАТЕЛЯ И ЭЛЕКТРИКА
FIT
1:1
100%

Артикул

Название

Примечание

Количество

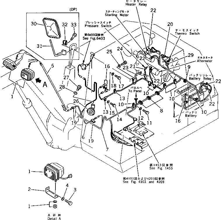
1

22W-06-12381

LAMP ASS'Y

|1

22W-06-12170

BULB¤ 24V

2

203-06-41130

BRACKET

3

01010-51430

BOLT

4

01643-31445

WASHER

5

201-06-58120

WIRE

6

201-06-58110

WIRE

7

201-06-58130

WIRE ASS'Y

|7

22W-06-13590

DIODE

8

150-952-7160

GROMMET

9

08037-03614

GROMMET

10

08036-01414

CLIP

11

01010-51016

BOLT

12

01643-31032

WASHER

13

08036-10814

CLIP

14

01010-51016

BOLT

15

01643-31032

WASHER

16

08036-01814

CLIP

17

01010-51016

BOLT

18

01643-31032

WASHER

19

08036-11214

CLIP

20

08036-10614

CLIP

21

20X-06-21260

WIRE

22

08038-00525

CAP

23

20X-06-21170

WIRE

24

01010-51016

BOLT

25

01643-31032

WASHER

26

08160-52400

HORN

27

01010-50816

BOLT

28

01643-30823

WASHER

29

08034-00519

BAND

30

08174-33024

MIRROR,REAR VIEW

31

203-54-42910

SUPPORT

32

207-54-17840

CLAMP

33

01252-41025

BOLT

Выбрано товаров: 35