Запчасти Komatsu PC650-1 КОНДИЦ. ВОЗДУХА И ТРУБЫ (/) (KT)(№7-) ОСНОВНАЯ РАМА И КАБИНА

Схема запчастей Komatsu PC650-1 - КОНДИЦ. ВОЗДУХА И ТРУБЫ (/) (KT)(№7-) ОСНОВНАЯ РАМА И КАБИНА
FIT
1:1
100%

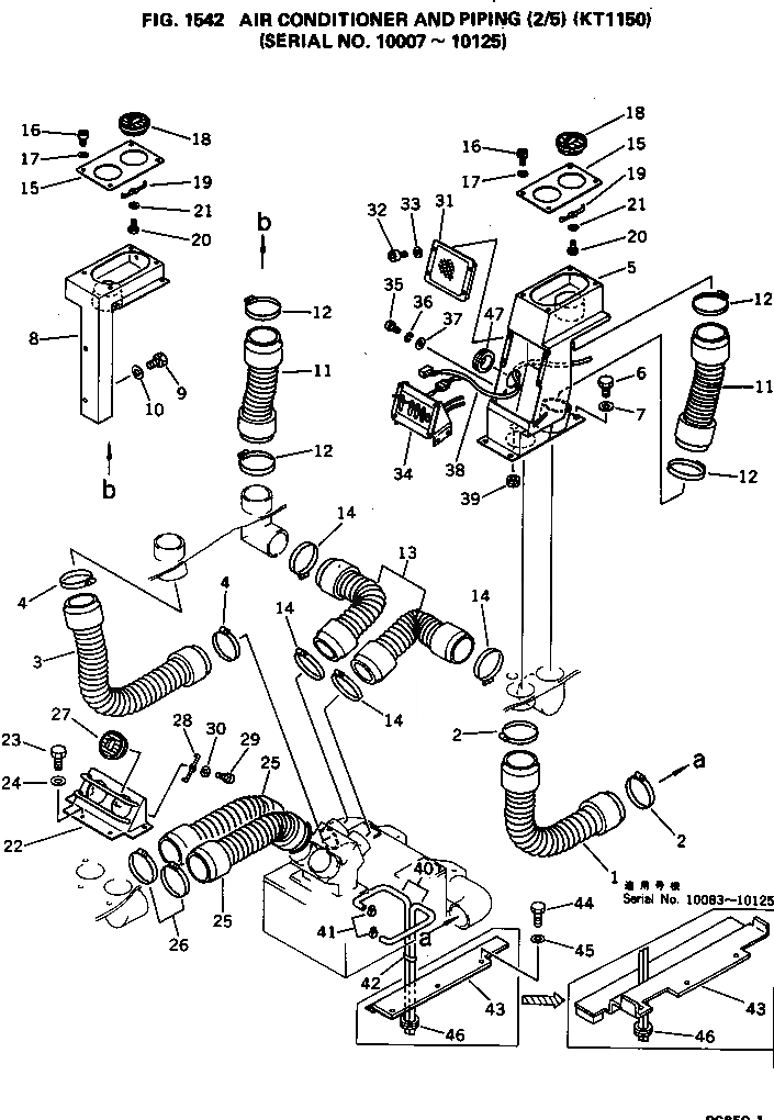
Артикул

Название

Примечание

Количество

1

09485-01007

HOSE,AIR

2

07281-01159

CLAMP,HOSE

3

09485-01008

HOSE,AIR

4

07281-01159

CLAMP,HOSE

5

209-988-3120

DUCT

6

01010-51020

BOLT

7

01643-31032

WASHER

8

209-988-3230

DUCT

9

01010-51020

BOLT

10

01643-31032

WASHER

11

09485-01004

HOSE,AIR

12

07281-01159

CLAMP,HOSE

13

09485-01005

HOSE,AIR

14

07281-01159

CLAMP,HOSE

15

175-979-3550

PLATE

16

21T-06-13620

BOLT

17

21T-06-13560

WASHER

18

145-Z79-5240

GRILLE,AIR OUTLET

19

145-Z79-5250

HOLDER

20

01220-40410

SCREW

21

01642-20405

WASHER

22

209-988-3250

COVER

23

01010-51225

BOLT

24

01643-31232

WASHER

25

09485-01004

HOSE,AIR

26

07281-01159

CLAMP,HOSE

27

145-Z79-5240

GRILLE,AIR OUTLET

28

145-Z79-5250

HOLDER

29

01220-40410

SCREW

30

01642-20405

WASHER

31

209-988-1370

AIR FILTER

32

21T-06-13620

BOLT

33

21T-06-13560

WASHER

34

209-988-3260

PANEL ASS'Y

35

198-911-3140

SCREW

36

198-911-3150

WASHER

37

198-911-3160

WASHER

38

209-988-1530

WIRE ASS'Y

39

08037-01610

GROMMET

40

07270-01299

TUBE

41

07281-00197

CLAMP,HOSE

42

08034-00519

BAND

43

209-988-3171

COVER

43

209-988-3170

COVER

44

01010-51225

BOLT

45

01643-31232

WASHER

46

08037-03614

GROMMET

47

08037-05016

GROMMET

Выбрано товаров: 48