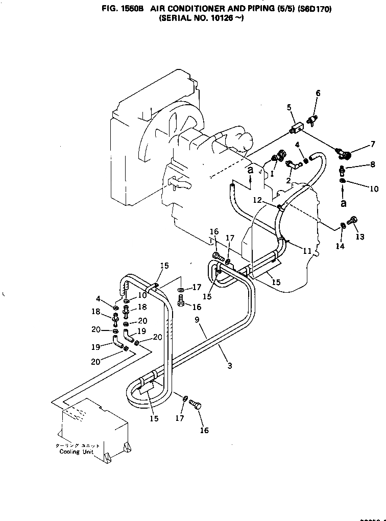
Запчасти Komatsu PC650-1 КОНДИЦ. ВОЗДУХА И ТРУБЫ (/) (SD7)(№-) ОСНОВНАЯ РАМА И КАБИНА

Схема запчастей Komatsu PC650-1 - КОНДИЦ. ВОЗДУХА И ТРУБЫ (/) (SD7)(№-) ОСНОВНАЯ РАМА И КАБИНА
FIT
1:1
100%

Артикул

Название

Примечание

Количество

1

195-911-5591

VALVE

2

175-911-4340

JOINT

3

09483-16870

HOSE

4

07281-00419

CLAMP

5

209-979-1190

TEE

6

6127-61-8411

VALVE ASS'Y

7

195-911-5591

VALVE

8

21T-988-1630

JOINT

9

09483-16870

HOSE

10

07281-00419

CLAMP

11

08034-00536

BAND

12

113-899-7950

CLIP

13

01010-51220

BOLT

14

01643-31232

WASHER

15

195-911-4350

CLIP

16

01010-51225

BOLT

17

01643-31232

WASHER

18

209-979-1260

JOINT

19

09483-30450

HOSE

20

07281-00259

CLAMP

Выбрано товаров: 20