Запчасти Komatsu PC650-1 ИЗ НАСОСА В КЛАПАН ТРУБЫ (/)(№7-7) УПРАВЛ-Е РАБОЧИМ ОБОРУДОВАНИЕМ

Схема запчастей Komatsu PC650-1 - ИЗ НАСОСА В КЛАПАН ТРУБЫ (/)(№7-7) УПРАВЛ-Е РАБОЧИМ ОБОРУДОВАНИЕМ
FIT
1:1
100%

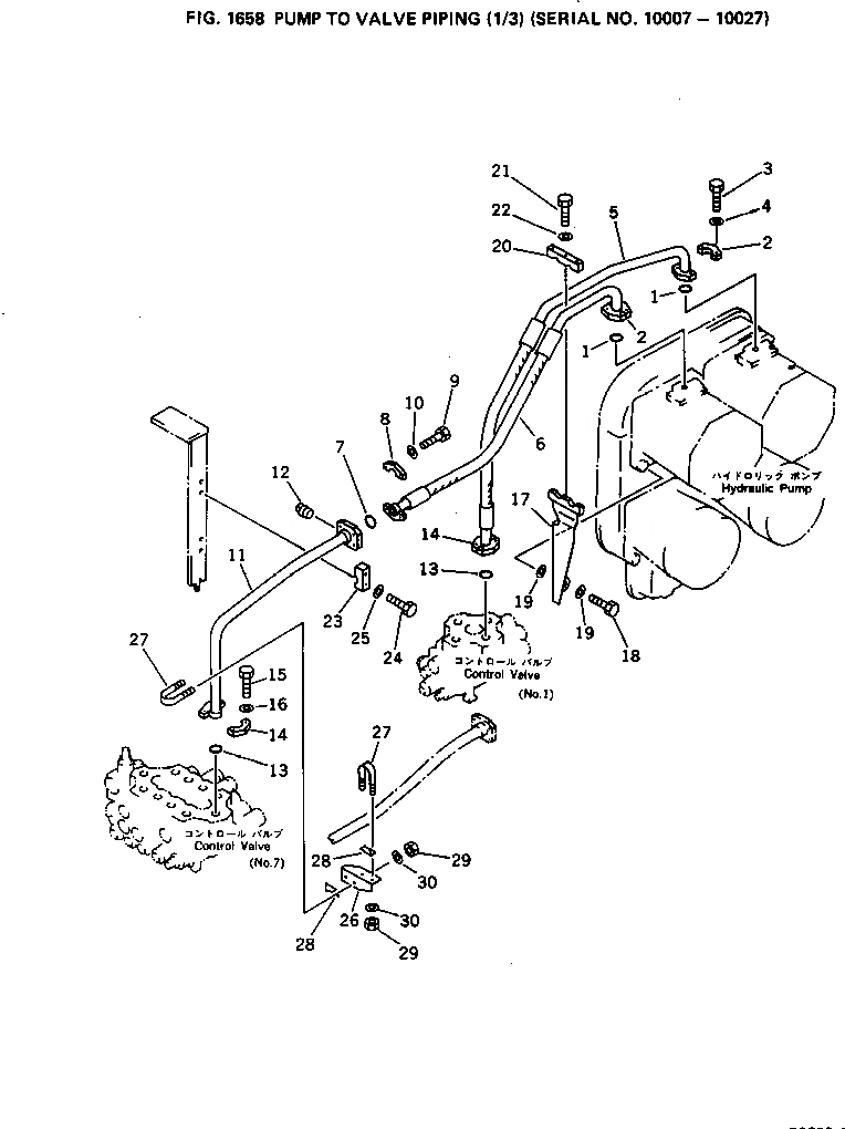
Артикул

Название

Примечание

Количество

1

07000-13038

O-RING

2

07371-51260

FLANGE

3

01010-51245

BOLT

4

01643-31232

WASHER

5

209-62-26181

HOSE

6

209-62-26191

HOSE

7

07000-13038

O-RING

8

07371-51260

FLANGE

9

01010-51245

BOLT

10

01643-31232

WASHER

11

209-62-11613

TUBE

12

07042-30108

PLUG

13

07000-13038

O-RING

14

07371-51260

FLANGE

15

01010-51245

BOLT

16

01643-31232

WASHER

17

209-62-26460

BRACKET

18

01010-52080

BOLT

19

01643-32060

WASHER

20

209-62-26420

CLAMP

21

01010-51255

BOLT

22

01643-31232

WASHER

23

205-62-54460

CLAMP

24

01010-51255

BOLT

25

01643-31232

WASHER

26

209-62-19910

BRACKET

27

07283-33450

CLIP

28

07283-53444

SEAT

29

01599-01011

NUT

30

01643-31032

WASHER

Выбрано товаров: 30