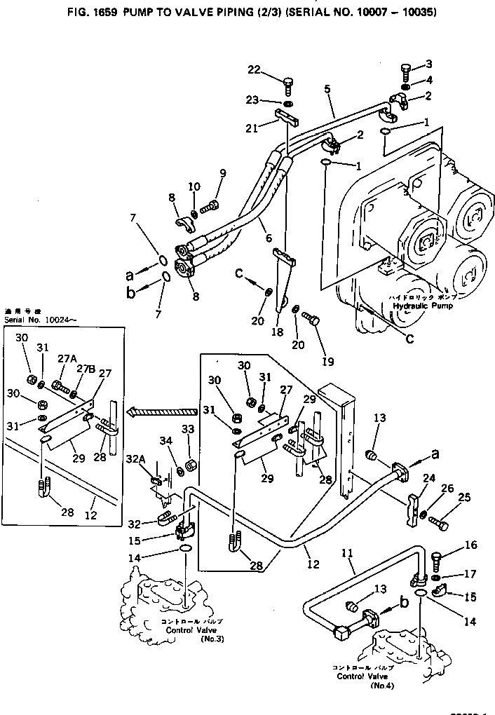
Запчасти Komatsu PC650-1 ИЗ НАСОСА В КЛАПАН ТРУБЫ (/)(№7-) УПРАВЛ-Е РАБОЧИМ ОБОРУДОВАНИЕМ

Схема запчастей Komatsu PC650-1 - ИЗ НАСОСА В КЛАПАН ТРУБЫ (/)(№7-) УПРАВЛ-Е РАБОЧИМ ОБОРУДОВАНИЕМ
FIT
1:1
100%

Артикул

Название

Примечание

Количество

1

07000-13032

O-RING

2

07371-31049

FLANGE

3

07372-21035

BOLT

4

01643-51032

WASHER

5

209-62-26111

HOSE

6

209-62-26121

HOSE

7

07000-13038

O-RING

8

07371-51260

FLANGE

9

01010-51245

BOLT

10

01643-31232

WASHER

11

209-62-26660

TUBE

12

209-62-11593

TUBE

13

07042-30108

PLUG

14

07000-13038

O-RING

15

07371-51260

FLANGE

16

01010-51245

BOLT

17

01643-31232

WASHER

18

209-62-26450

BRACKET

19

01010-51670

BOLT

20

01643-31645

WASHER

21

209-62-26380

CLAMP

22

01010-51255

BOLT

23

01643-31232

WASHER

24

209-62-26370

CLAMP

25

01010-51255

BOLT

26

01643-31232

WASHER

27

209-62-31910

BRACKET

27

209-62-26470

BRACKET

27A

01010-51235

BOLT

28

07283-33442

CLIP

28

07283-33442

CLIP

29

07283-53444

SEAT

29

07283-53444

SEAT

30

01599-01011

NUT

30

01599-01011

NUT

31

01643-31032

WASHER

31

01643-31032

WASHER

32

07283-33450

CLIP

32A

07283-53444

SEAT

33

01599-01011

NUT

34

01643-31032

WASHER

Выбрано товаров: 0